- Partiron
- OEM Parts
- Yamaha
- motorcycle
- 1998
- XVS650AKC (V-STAR CLASSIC CA) 5BN2 1998
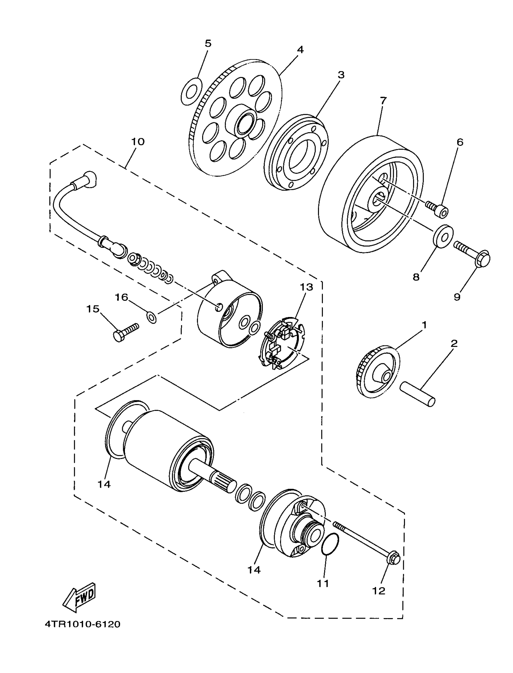
STARTER CLUTCH
Yamaha XVS650AKC (V-STAR CLASSIC CA) 5BN2 1998 STARTER CLUTCH Diagram
#
Description
Price
1
GEAR, IDLER 1
22U-15512-00-00
Unavailable
2
SHAFT 1
5H0-15521-00-00
Unavailable
4
GEAR, IDLER 2
4VR-15517-01-00
Unavailable
8
WASHER, PLATE(1WG)
90201-107K6-00
Unavailable
10
STARTING MOTOR UNIT
3JB-81890-00-00
Unavailable
12
BOLT
3HE-81826-00-00
Unavailable
13
BRUSH HOLDER ASSY
3KS-81840-00-00
Unavailable
14
GASKET
35C-81844-00-00
Unavailable
15
BOLT
97070-06025-00
Unavailable
16
WASHER, PLAIN (646)
92990-06600-00
Unavailable
