Partiron

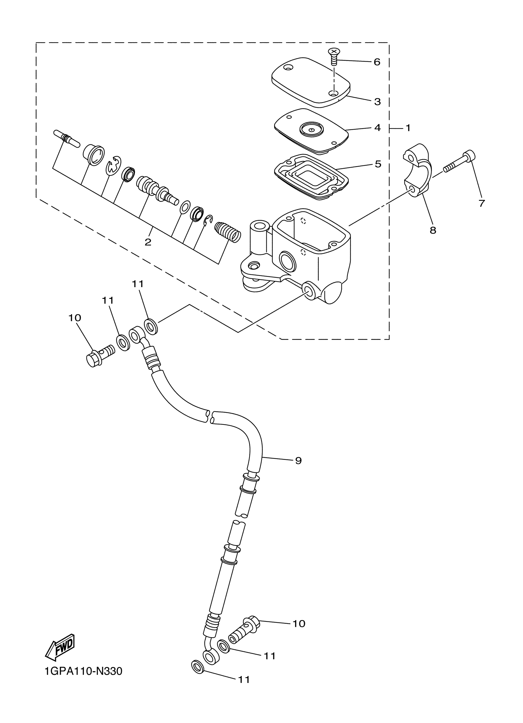
Yamaha XVS13CGGY (STRYKER BULLET COWL) BJ31 2016 FRONT MASTER CYLINDER Diagram

#

Description
Price

1

MASTER CYLINDER SUB ASSY

27D-W2587-00-00

Unavailable

2

CYLINDER KIT, MAST

4B5-25807-10-00

Unavailable

3

CAP, RESERVOIR

4B5-25852-00-00

$35.99

4

BUSH,DIAPHRAGM

4B5-25855-00-00

$6.99

5

DIAPHRAGM, RESERVOIR

4B5-25854-00-00

Unavailable

6

SCREW

5VS-2589H-00-00

$4.11

7

BOLT

5VS-26332-00-00

$4.42

8

BRACKET, MASTER CYLINDER

3D8-25867-00-00

Unavailable

9

HOSE, BRAKE 1

27D-25872-00-00

Unavailable

10

BOLT, UNION

90401-10020-00

$9.49

11

GASKET

90430-10005-00

$9.49