- Partiron
- OEM Parts
- Yamaha
- motorcycle
- 2012
- XVS13CBR (STRYKER) 27D4 2012
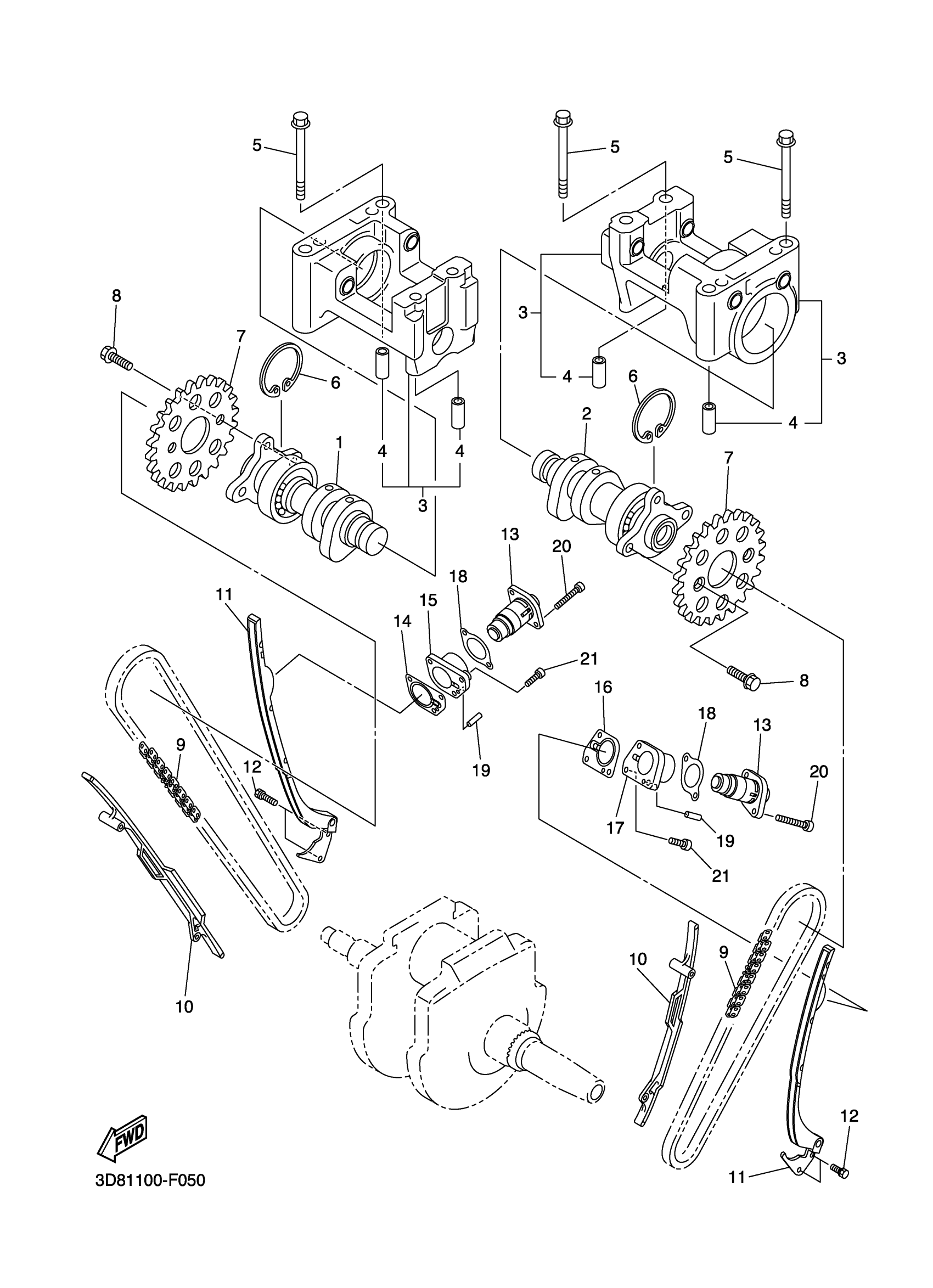
CAMSHAFT CHAIN
Yamaha XVS13CBR (STRYKER) 27D4 2012 CAMSHAFT CHAIN Diagram
#
Description
Price
2
CAMSHAFT ASSY 2
3D8-12180-10-00
Unavailable
12
BOLT, WITH WASHER
90119-06173-00
Unavailable
13
TENSIONER ASSY, CAM CHAIN
3D8-12210-10-00
Unavailable
16
GASKET
3D8-12214-00-00
Unavailable
17
SPACER
27D-11485-00-00
Unavailable
18
GASKET
3D8-11195-00-00
Unavailable
19
PIN, DOWEL (341)
93603-09106-00
Unavailable
20
BOLT
91312-06045-00
Unavailable
21
BOLT(J17)
91312-06035-00
Unavailable
