Partiron

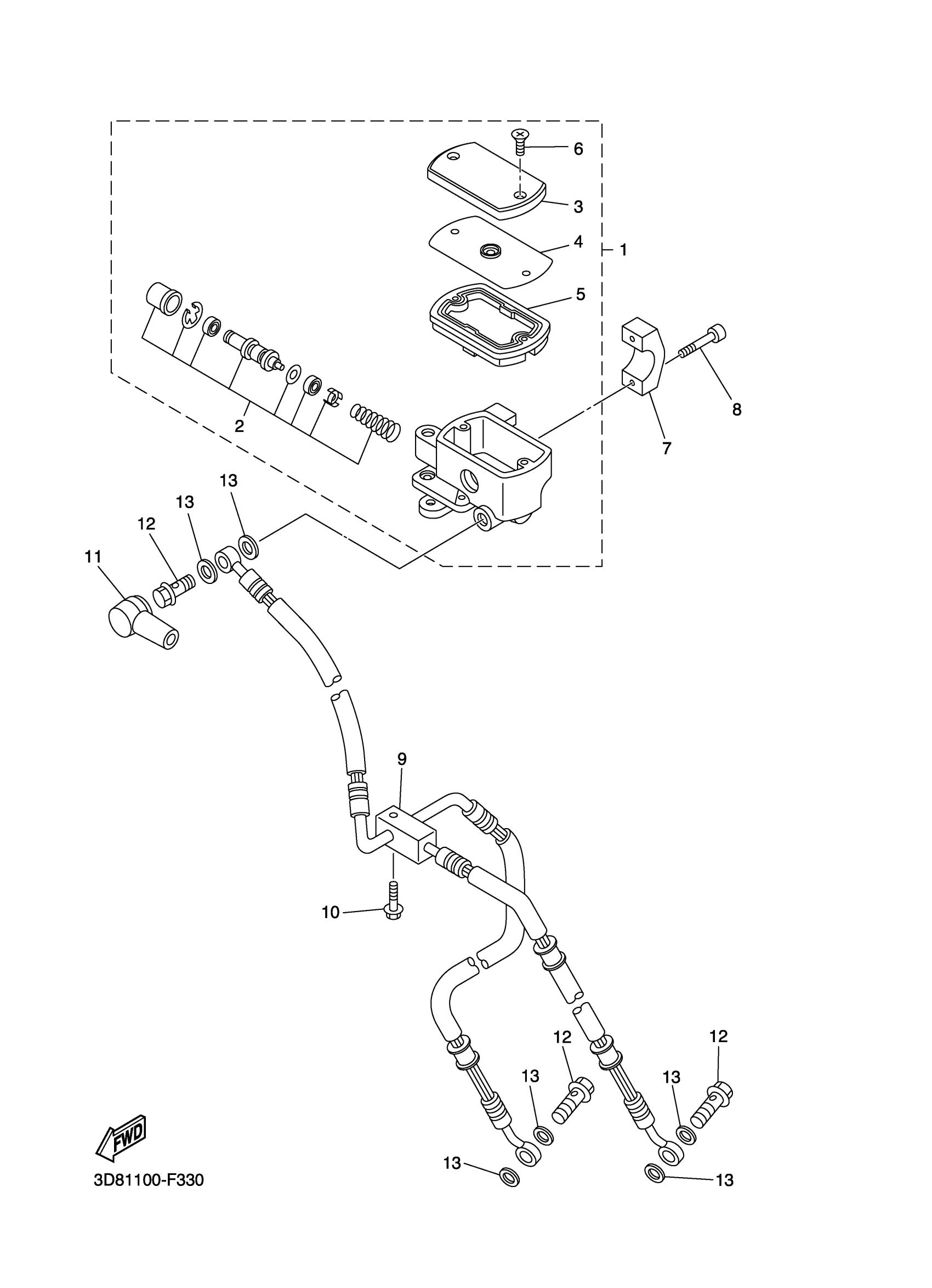
Yamaha XVS13AWC (V STAR 1300 CA) 3D82 2007 FRONT MASTER CYLINDER Diagram

#

Description
Price

1

MASTER CYLINDER SUB ASSY

3D8-25870-01-00

Unavailable

2

CYLINDER KIT, MASTER

2KR-25807-00-00

Unavailable

3

CAP, RESERVOIR

3D8-25852-00-00

Unavailable

4

BUSH,DIAPHRAGM

3D8-25855-00-00

$5.49

5

DIAPHRAGM, RESERVOIR

3D8-25854-00-00

Unavailable

6

SCREW

3D8-2589H-00-00

$6.99

7

BRACKET, MASTER CYLINDER

4TR-25867-10-00

Unavailable

8

BOLT,SOCKET HEAD

91314-06025-00

$8.49

9

HOSE, BRAKE 1

3D8-25872-00-00

$183.99

10

BOLT, WASHER BASED(4EB)

90105-06791-00

$2.60

11

BOOT, MASTER CYLINDER

4L0-25862-01-00

$7.99

12

BOLT, UNION

90401-10020-00

$9.49

13

GASKET

90430-10005-00

$9.49