Partiron

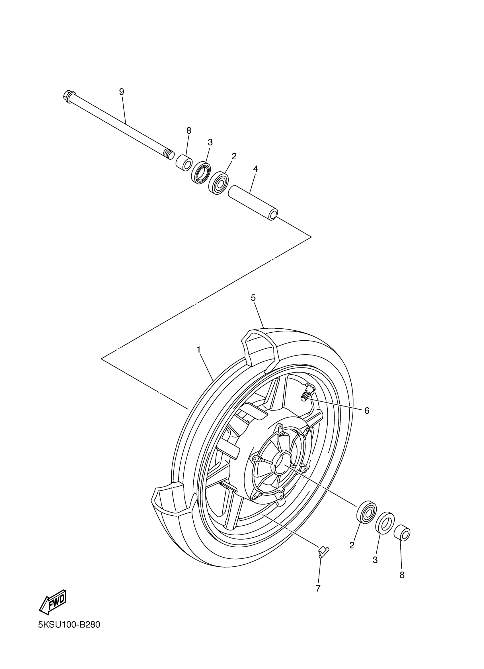
Yamaha XVS13AACB (V STAR 1300 CA) 3D8E 2011 FRONT WHEEL Diagram

#

Description
Price

1

CAST WHEEL, FRONT

5KS-25168-00-MA

Unavailable

2

BEARING(4HM)

93306-30317-00

$39.99

3

OIL SEAL (28X47X7-102)

93102-28022-00

$14.99

4

COLLAR(1FN)

90387-173M5-00

Unavailable

5

TIRE (130/90-16 M/C 67H D404F)

94113-16025-00

Unavailable

5

TIRE (130/90-16 M/C 67H EXEDRA)

94113-16027-00

Unavailable

6

VALVE, RIM(2GH)

93900-00030-00

$16.99

7

BALANCER, WHEEL

5MT-25398-00-00

$17.49

7

BALANCER, WHEEL

5MT-25398-10-00

$17.49

7

BALANCER, WHEEL

5MT-25398-20-00

Unavailable

8

COLLAR(1UR)

90387-173R6-00

$30.99

9

AXLE, WHEEL

5KS-25181-00-00

$73.99