- Partiron
- OEM Parts
- Yamaha
- motorcycle
- 2000
- XVS1100MC (V-STAR 1100 CUSTOM CA) 5ELB 2000
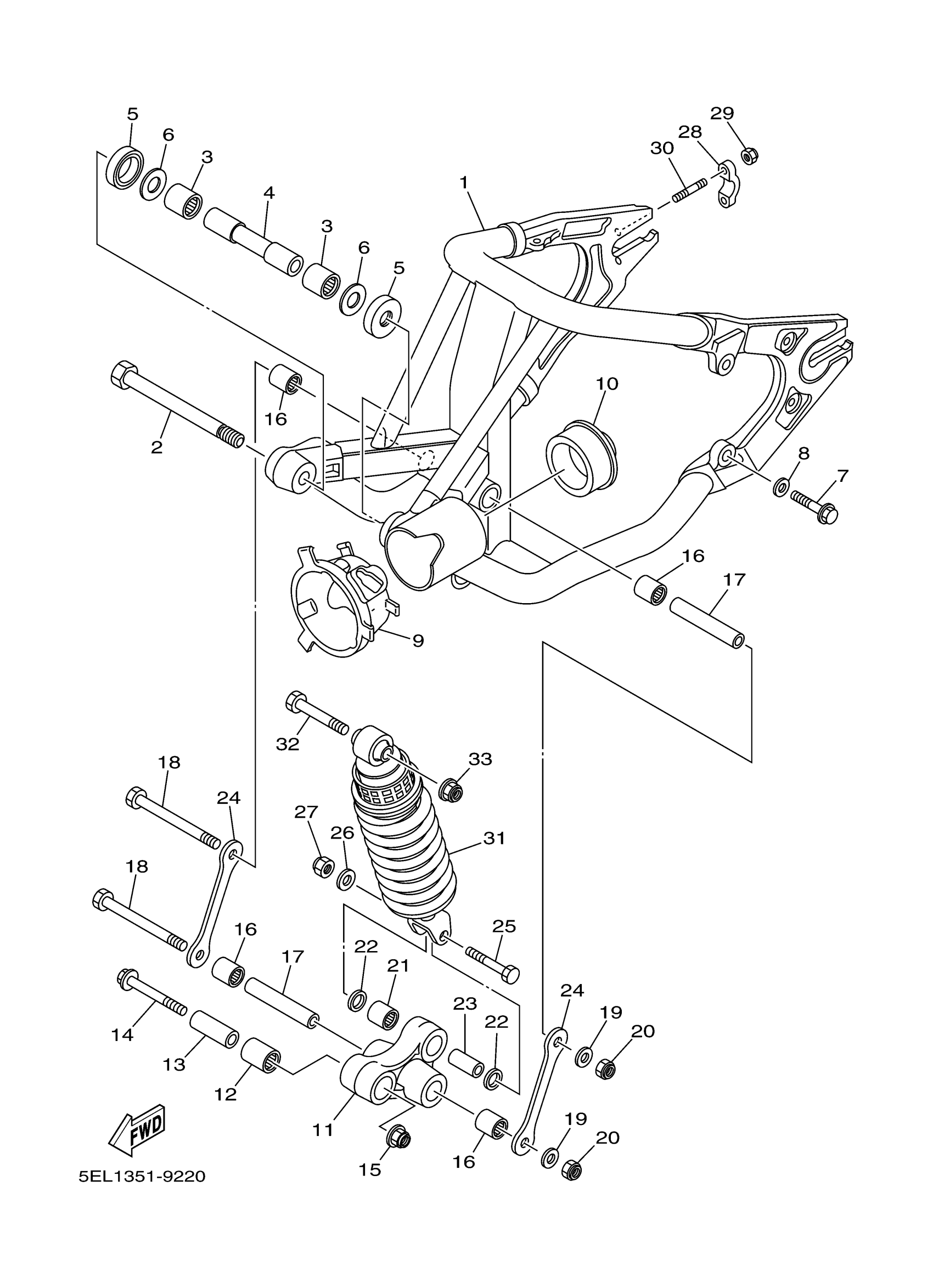
REAR ARM SUSPENSION
Yamaha XVS1100MC (V-STAR 1100 CUSTOM CA) 5ELB 2000 REAR ARM SUSPENSION Diagram
#
Description
Price
1
REAR ARM COMP.
5KS-22110-02-00
Unavailable
7
BOLT, FLANGE
90105-101A9-00
Unavailable
9
BOOT, RUBBER
5EL-22189-00-00
Unavailable
13
COLLAR(2MF)
90387-100T8-00
Unavailable
16
BEARING, CYLINDRICAL(2GH)
93317-41761-00
Unavailable
17
COLLAR(2GH)
90387-126T1-00
Unavailable
18
BOLT(2GH)
90101-12673-00
Unavailable
19
WASHER, PLATE (4N0)
90201-126A7-00
Unavailable
20
NUT, U (4PM)
95617-12100-00
Unavailable
21
BEARING, CYLINDRICAL(3YL)
93317-31771-00
Unavailable
22
OIL SEAL
93109-17071-00
Unavailable
23
COLLAR(3TJ)
90387-127W0-00
Unavailable
24
ARM 1
2KT-2217M-00-00
Unavailable
25
BOLT(1WG)
90101-10659-00
Unavailable
26
WASHER, PLATE(47X)
90201-101J1-00
Unavailable
27
NUT, U
95617-10100-00
Unavailable
28
HOLDER, HANDLE UPPER
1E6-23441-10-33
Unavailable
29
NUT, SELF-LOCKING
90185-08169-00
Unavailable
30
BOLT, STUD 2
95617-08330-00
Unavailable
31
SHOCK ABSORBER ASSY, REAR
5EL-22210-31-00
Unavailable
32
BOLT (1M1)
90109-10453-00
Unavailable
