- Partiron
- OEM Parts
- Yamaha
- motorcycle
- 2002
- XVS1100APC (V-STAR 1100 CLASSIC CA) 5KSD 2002
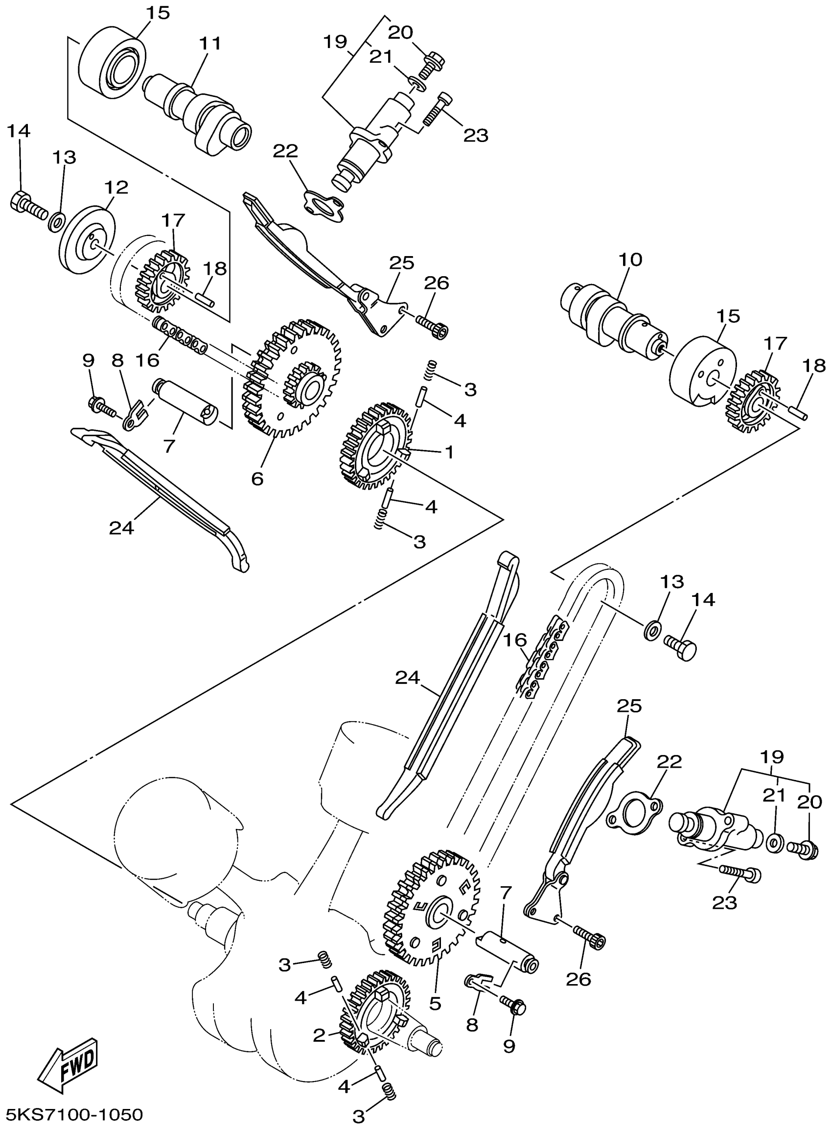
CAMSHAFT CHAIN
Yamaha XVS1100APC (V-STAR 1100 CLASSIC CA) 5KSD 2002 CAMSHAFT CHAIN Diagram
#
Description
Price
1
GEAR, DRIVE (35T)
4X7-11536-00-00
Unavailable
2
GEAR, BREAKER DRIVE
4X7-11534-00-00
Unavailable
8
WASHER (4X7)
90209-06205-00
Unavailable
9
BOLT, FLANGE
95817-06014-00
Unavailable
11
CAMSHAFT 2
5EL-12181-00-00
Unavailable
12
PLATE, BREATHER 2
42X-11145-00-00
Unavailable
16
CHAIN
94591-49098-00
Unavailable
17
SPROCKET, CAM CHAIN
5EL-12176-00-00
Unavailable
18
PIN,DOWEL (168)
93604-12037-00
Unavailable
19
TENSIONER ASSY, CAM CHAIN
5EL-12210-01-00
Unavailable
20
BOLT
5EL-12228-00-00
Unavailable
21
GASKET
5EL-12214-00-00
Unavailable
22
GASKET, TENSIONER CASE
4FM-12213-00-00
Unavailable
23
BOLT,SOCKET HEAD
91314-06025-00
Unavailable
24
GUIDE, STOPPER 1
5EL-12231-00-00
Unavailable
25
GUIDE, STOPPER 2
5EL-12241-01-00
Unavailable
26
BOLT, SOCKET
91314-06016-00
Unavailable
