Partiron

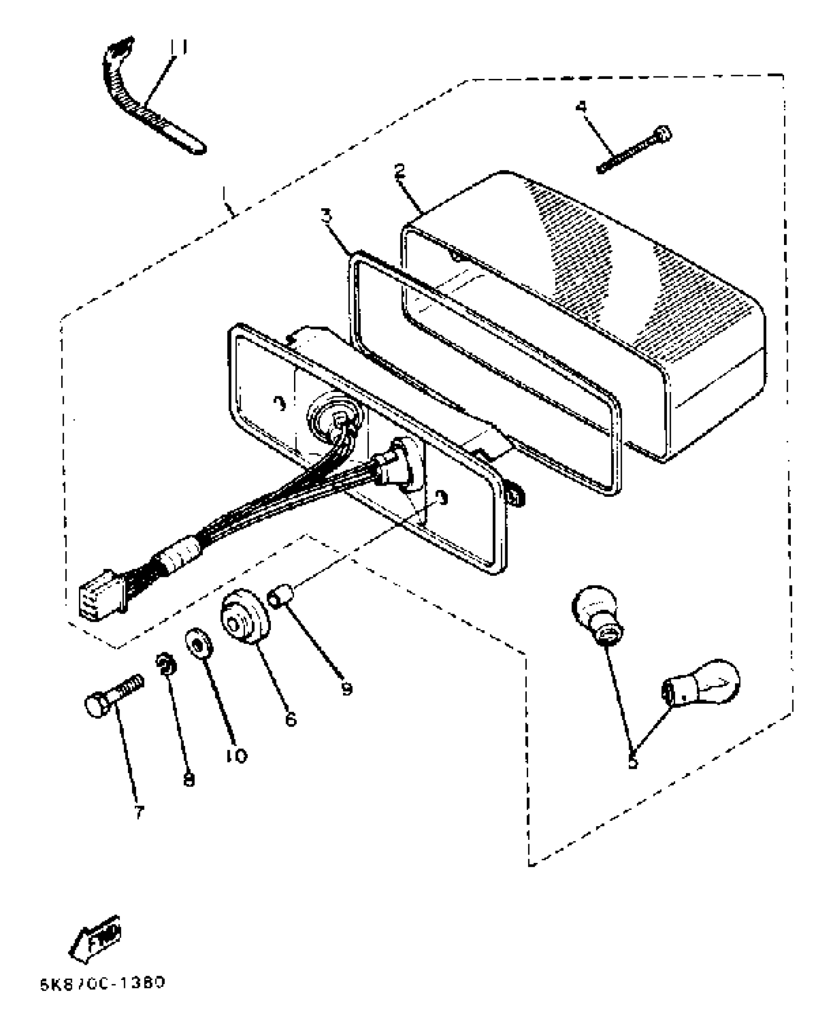
Yamaha XV920RJ (XV920RJ) 1982 TAILLIGHT Diagram

#

Description
Price

1

TAILLIGHT UNIT ASSEMBLY

(5H1-84710-60-00)

Unavailable

2

LENS, TAILLIGHT

(5A8-84721-40-00)

Unavailable

3

GASKET, TAIL LENS

(5A8-84723-00-00)

Unavailable

4

SCREW, PAN HEAD

98507-04050-00

$3.02

5

BULB, TAIL LAMP (12V 32/3CP)

256-84714-61-00

$11.99

6

DAMPER, TAIL

(5A8-84736-00-00)

Unavailable

7

BOLT, HEXAGON

97017-06025-00

$4.24

8

WASHER, SPRING

92995-06100-00

Unavailable

9

SPACER

90560-07007-00

$9.49

10

WASHER, PLATE

90201-06380-00

$0.60

11

BAND, SWITCH CORD

437-83936-01-00

$7.99