Yamaha XV920RJ (XV920RJ) 1982 FRAME Diagram
#
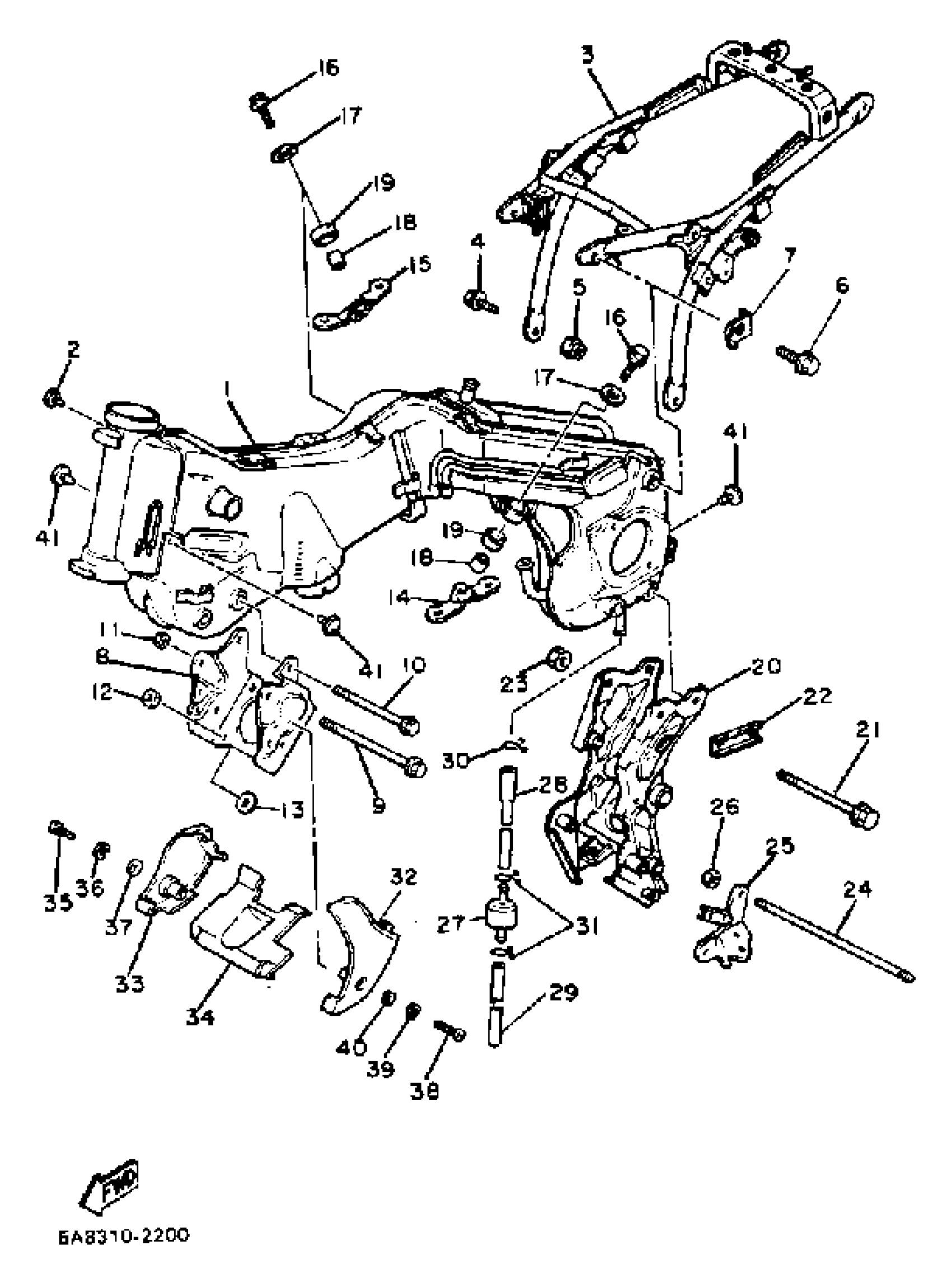
1
FRAME
(4X7-21110-00-33)
Unavailable
2
PLUG, SPEC''L SHAPE
(90338-03116-00)
Unavailable
3
FRAME, REAR
5A8-21190-01-33
Unavailable
7
WASHER, LOCK
90215-10192-00
Unavailable
8
STAY, ENGINE 4
4X7-21317-00-00
Unavailable
14
STAY, ENGINE 2
(4X7-21315-00-00)
Unavailable
15
STAY, ENGINE 3
(4X7-21316-00-00)
Unavailable
16
BOLT (4W3)
90105-10186-00
Unavailable
17
WASHER, PLATE(42X)
90201-105H3-00
Unavailable
18
COLLAR (5E3)
90387-100E2-00
Unavailable
19
DAMPER, RUBBER 1
4X7-21485-00-00
Unavailable
20
BRACKET, REAR ARM
(5A8-21430-00-00)
Unavailable
21
BOLT
90101-10074-00
Unavailable
22
WASHER, LOCK
(4X7-21491-00-00)
Unavailable
24
BOLT, STUD
90116-10352-00
Unavailable
25
BRACKET, SIDE STAND
(4X7-21458-01-00)
Unavailable
27
FILTER ASSY
4X7-2149Y-00-00
Unavailable
28
HOSE
(90445-11545-00)
Unavailable
29
HOSE (L198)
90445-11293-00
Unavailable
30
CLIP(6M6)
90467-13M13-00
Unavailable
31
CLIP(1JH)
90467-11106-00
Unavailable
32
SCOOP, AIR 1
5A8-2137W-00-98
Unavailable
33
SCOOP, AIR 2
(5A8-2137X-00-98)
Unavailable
34
UNAVAILABLE IN PRICE BOOK
5A8-2137Y-00-00
Unavailable
35
SCREW, PAN HEAD (76T)
98517-06025-00
Unavailable
36
WASHER, SPRING
92907-06100-00
Unavailable
37
WASHER(6TA)
92907-06600-00
Unavailable
38
SCREW, PAN
98507-06050-00
Unavailable
39
WASHER, SPRING
92907-06100-00
Unavailable
40
WASHER(6TA)
92907-06600-00
Unavailable
41
PLUG 288833190000
90338-07043-00
Unavailable
