- Partiron
- OEM Parts
- Yamaha
- motorcycle
- 1982
- XV920J (XV920J) 1982
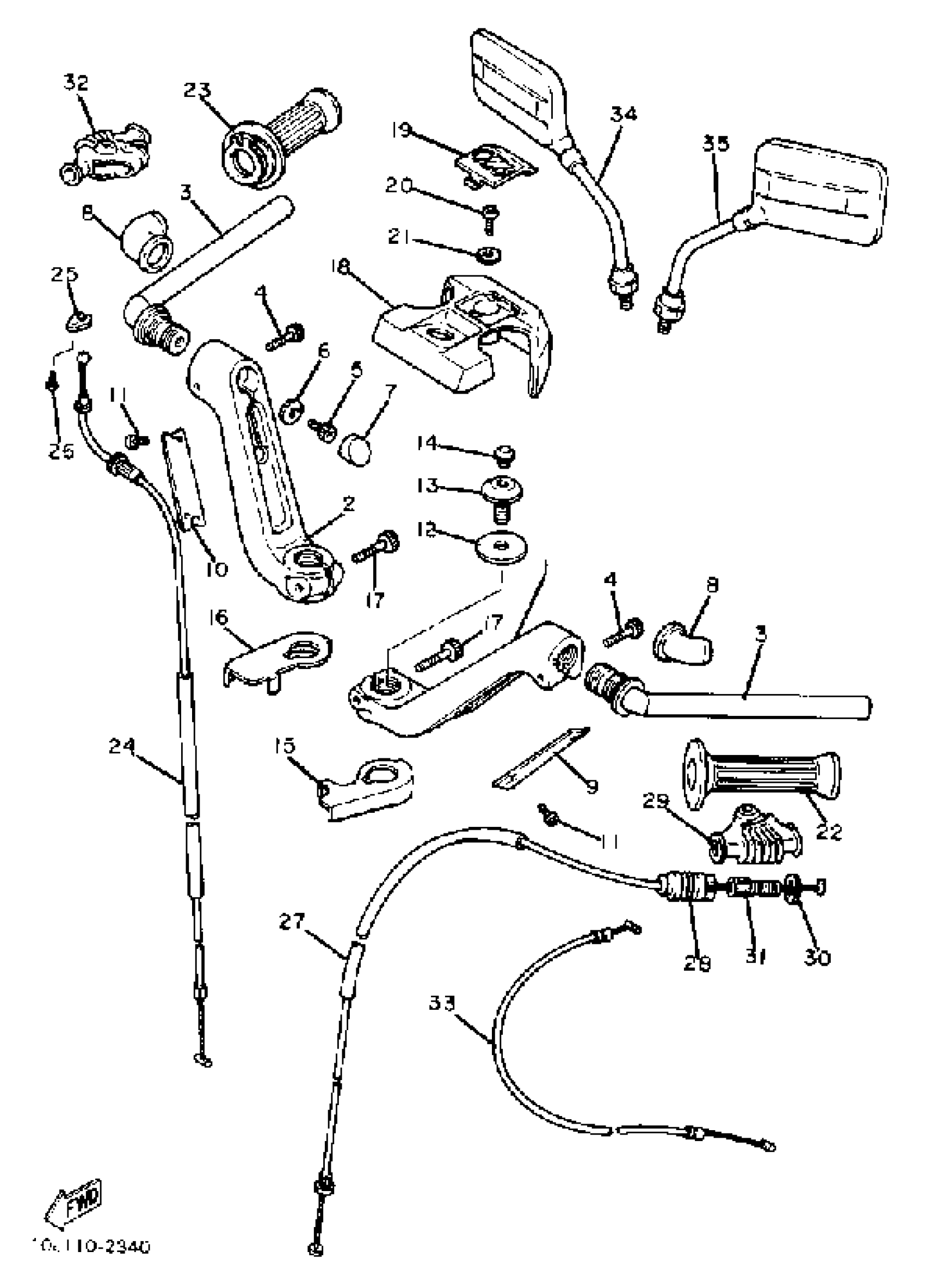
HANDLEBAR CABLE
Yamaha XV920J (XV920J) 1982 HANDLEBAR CABLE Diagram
#
1
HANDLEBAR LH
10L-26121-00-00
Unavailable
2
HANDLEBAR RH
10L-26122-00-00
Unavailable
3
BAR, HANDLE
10M-26112-00-00
Unavailable
4
BOLT, HEX SKT HEAD
90110-06050-00
Unavailable
7
CAP
10L-26133-00-00
Unavailable
8
BOOT, HANDLEBAR
10M-26147-00-00
Unavailable
9
COVER, HDLBR LWR 1
10L-26144-00-00
Unavailable
10
COVER, HDLBR LWR 2
10L-26146-00-00
Unavailable
12
WASHER, PLATE
90201-080F2-00
Unavailable
13
BOLT, HANDLEBAR 1
10L-26116-00-00
Unavailable
15
COVER, HDLBR UPR 1
10L-26143-00-00
Unavailable
16
COVER, HDLBR UPR 2
(10L-26145-00-00)
Unavailable
17
BOLT,SOCKET
91314-08040-00
Unavailable
18
COVER, UPPER
10L-26213-00-00
Unavailable
19
CAP, HANDLEBAR CVR
10L-26216-00-00
Unavailable
20
SCREW, PAN HEAD(3TJ)
98507-06016-00
Unavailable
21
WASHER, PLATE 8221447500
90201-06057-00
Unavailable
22
GRIP LH
5G2-26241-10-00
Unavailable
23
GRIP ASSEMBLY RH
5G2-26240-10-00
Unavailable
24
CABLE, THROTTLE 1
11U-26311-00-00
Unavailable
25
HOLDER
5H0-26393-00-00
Unavailable
26
GASKET, EXHAUST
98507-05008-00
Unavailable
27
CABLE, CLUTCH
23W-26335-10-00
Unavailable
28
BOOT, WIRE
1E6-26342-00-00
Unavailable
29
COVER, HANDLE LEVER
11H-26372-00-00
Unavailable
30
NUT
90179-08030-00
Unavailable
31
BOLT
90123-08002-00
Unavailable
32
COVER, HANDLE LEVER (R.H)
1T5-26372-00-00
Unavailable
33
CABLE, STARTER 1
23W-26331-00-00
Unavailable
34
MIRROR ASSEMBLY (5G2-26290-00)
31A-26290-00-00
Unavailable
35
MIRROR ASSEMBLY (5G2-26290-10)
31A-26290-10-00
Unavailable
