- Partiron
- OEM Parts
- Yamaha
- motorcycle
- 1982
- XV920J (XV920J) 1982
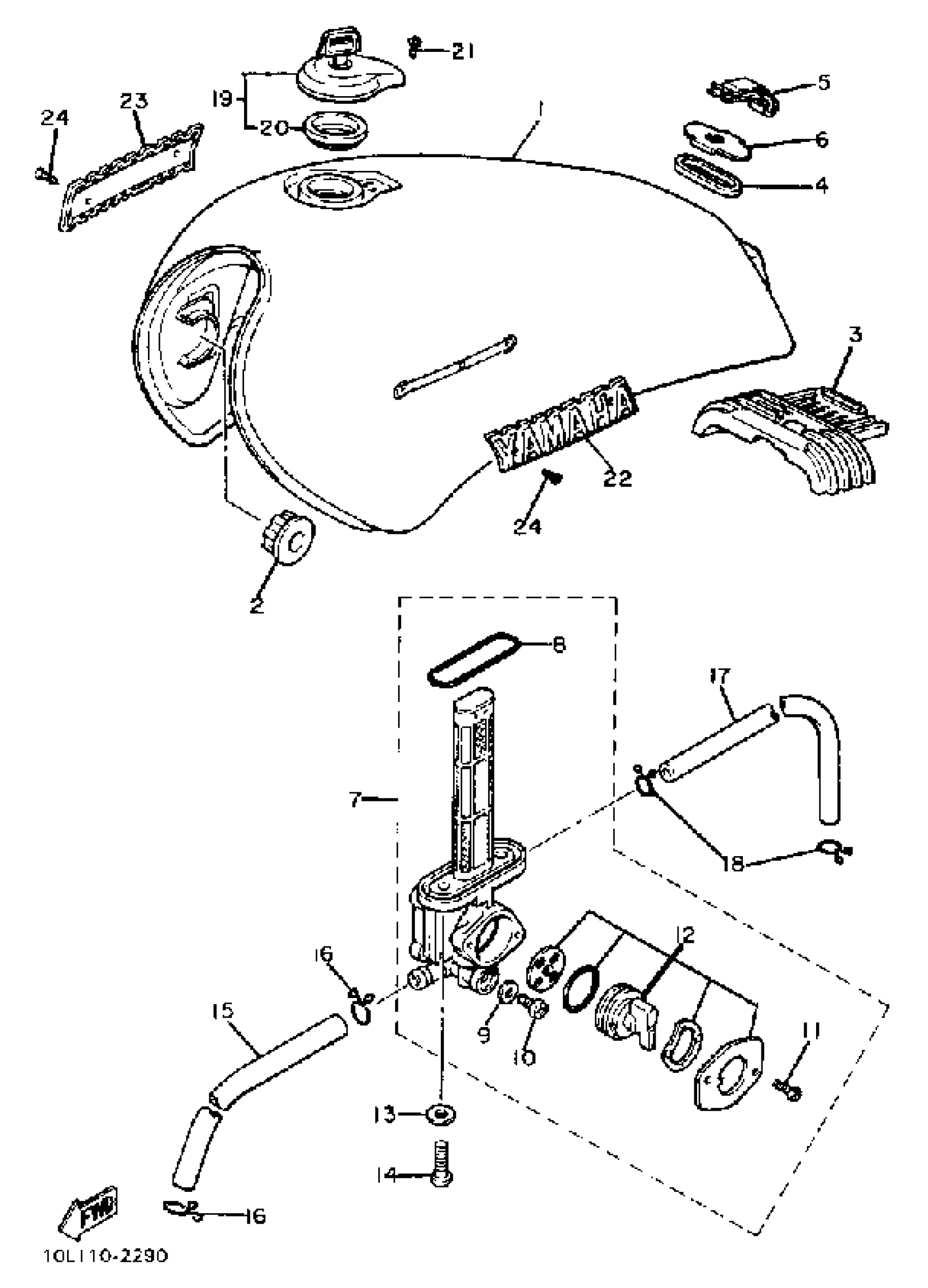
FUEL TANK
Yamaha XV920J (XV920J) 1982 FUEL TANK Diagram
#
Description
Price
1
FUEL TANK (NEW WHITE)
10L-24110-00-6G
Unavailable
1
FUEL TANK
10L-24110-00-7J
Unavailable
3
DAMPER, LOCATING 2
4X7-24182-01-00
Unavailable
4
DAMPER, LOCATING 3
4H7-24183-00-00
Unavailable
5
CLIP
4X7-2411M-00-00
Unavailable
6
WASHER, SPECIAL
4K0-24186-00-00
Unavailable
10
SCREW, PAN HEAD(6A3)
97885-06008-00
Unavailable
15
HOSE (L120)
90445-113E8-00
Unavailable
16
CLIP
90467-100A1-00
Unavailable
17
HOSE (L770)
90445-090G9-00
Unavailable
18
CLIP 101235600
90467-08003-00
Unavailable
19
CAP ASSY
4X7-24602-10-00
Unavailable
20
GASKET, TANK CAP
4X7-24612-00-00
Unavailable
21
SCREW, PAN HEAD(3LA)
98517-05010-00
Unavailable
22
EMBLEM 1
10L-24161-00-00
Unavailable
23
EMBLEM 2
10L-24162-00-00
Unavailable
24
SCREW (2F0)
90152-04006-00
Unavailable
