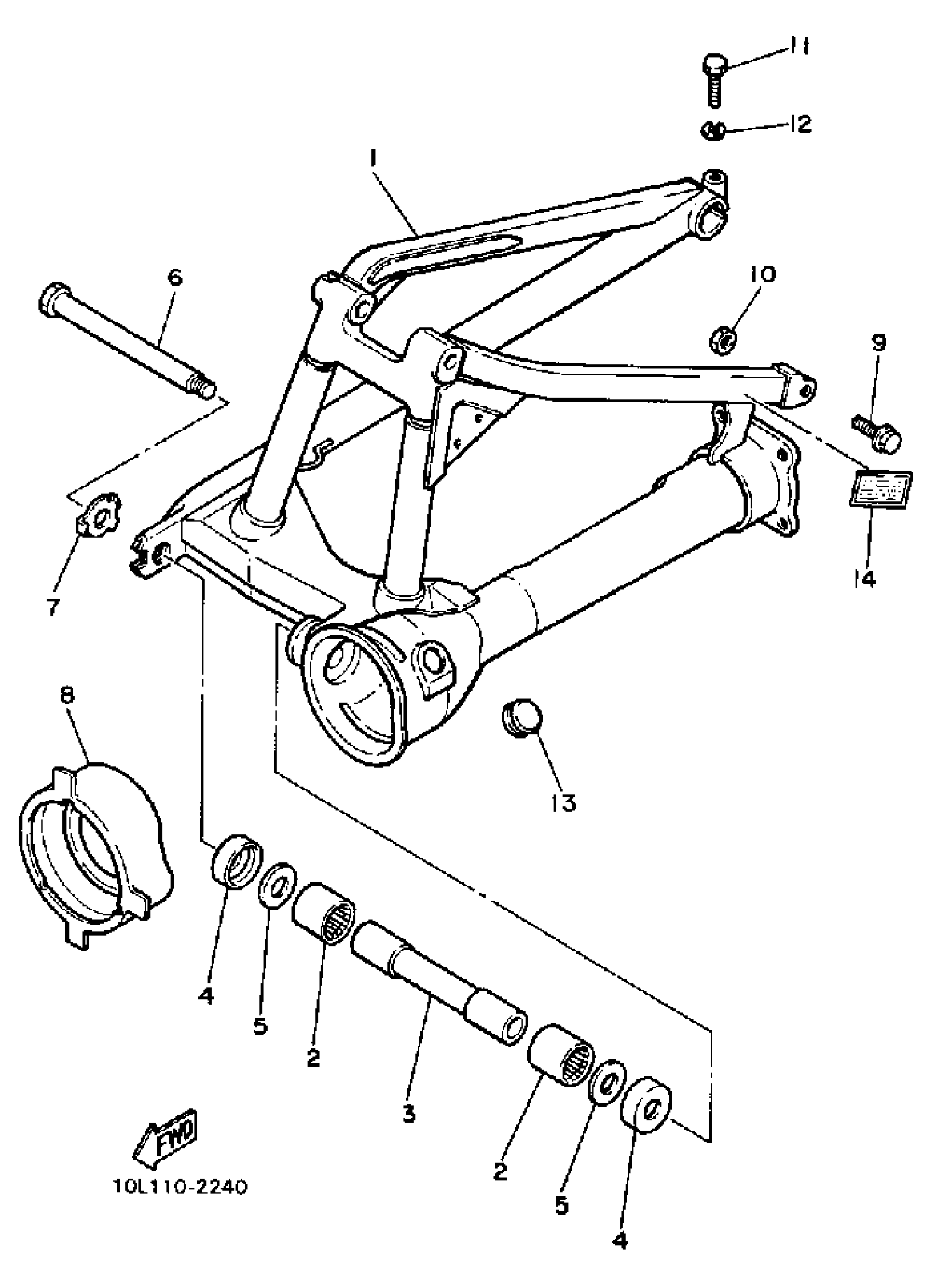
Yamaha XV750MK (MIDNIGHT VIRAGO 750) 1983 SWING ARM Diagram
#
Description
Price
1
REAR ARM
4X7-22110-01-35
Unavailable
5
WASHER, PLATE
90201-245A0-00
Unavailable
6
SHAFT, PIVOT
4X7-22141-00-00
Unavailable
7
WASHER, LOCK
90215-16203-00
Unavailable
8
BOOT, RUBBER
4X7-22189-01-00
Unavailable
10
NUT
90179-10321-00
Unavailable
11
BOLT
97017-08035-00
Unavailable
13
PLUG (4X7)
90338-20113-00
Unavailable
14
LABEL, OIL CAUTION
4H7-46181-10-00
Unavailable
