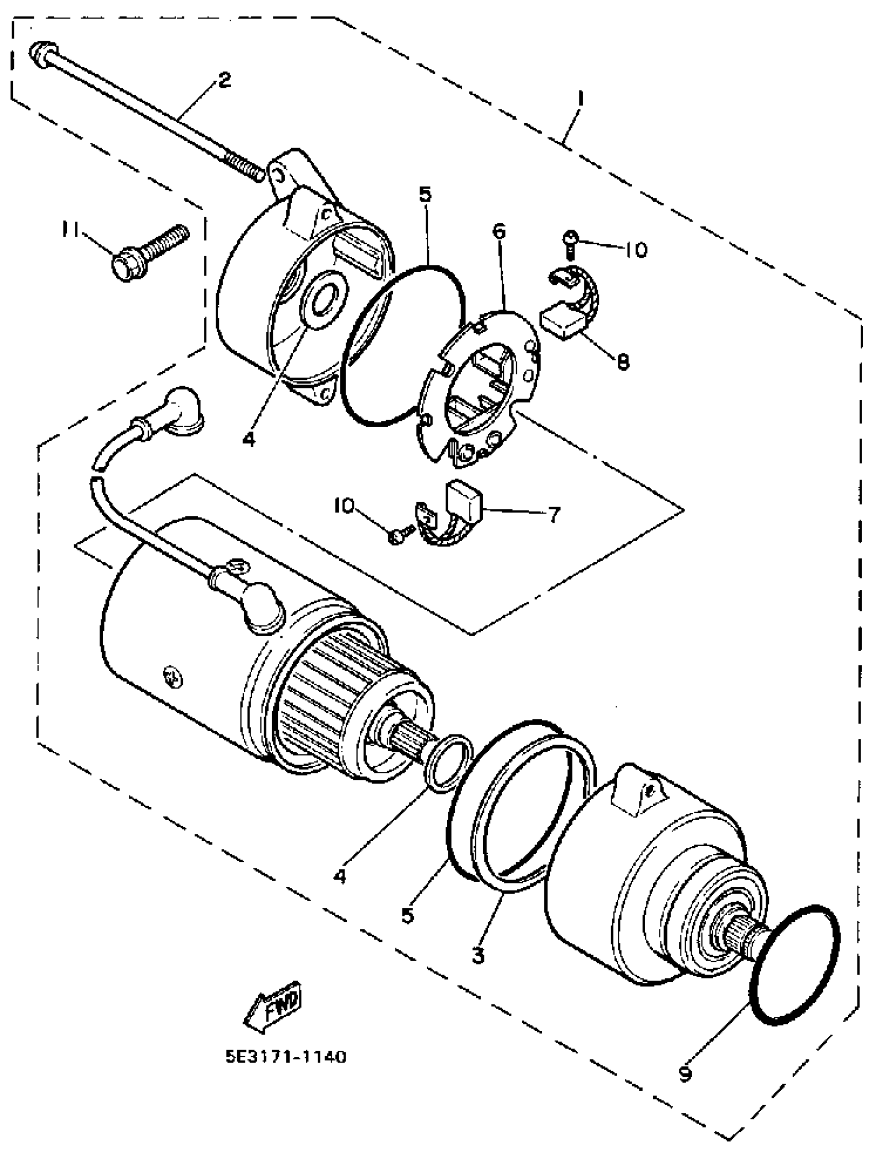
STARTING MOTOR
#
1
42X-81890-00-00
Unavailable
2
371-81826-20-00
Unavailable
3
4X7-81844-60-00
Unavailable
4
371-81809-20-00
Unavailable
5
371-81847-20-00
Unavailable
6
1J7-81840-60-00
Unavailable
7
371-81811-20-00
Unavailable
8
371-81812-20-00
Unavailable
11
95817-06025-00
Unavailable
Edit ride
