- Partiron
- OEM Parts
- Yamaha
- motorcycle
- 1983
- XV750MK (MIDNIGHT VIRAGO 750) 1983
ELECTRICAL 1
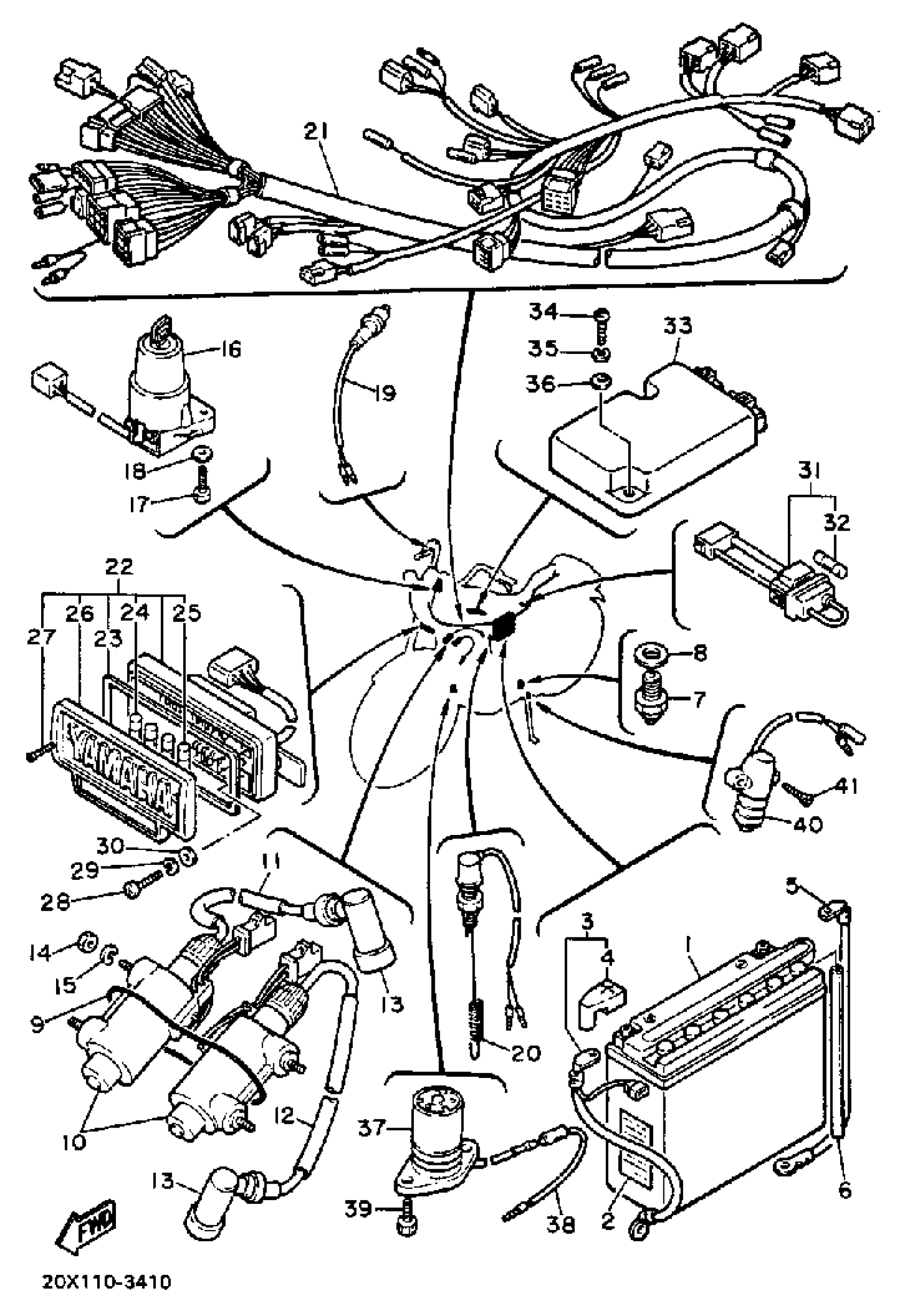
Yamaha XV750MK (MIDNIGHT VIRAGO 750) 1983 ELECTRICAL 1 Diagram
#
1
YB16ALA2 YUASA BATTERY
YB1-6ALA2-00-00
Unavailable
2
LABEL, BATTERY
40A-82141-G0-00
Unavailable
3
WIRE, PLUS LEAD
4X7-82115-00-00
Unavailable
4
. COVER, LEAD WIRE
4X7-82119-00-00
Unavailable
5
WIRE, MINUS LEAD
4X7-82116-01-00
Unavailable
6
HOSE
(90445-08670-00)
Unavailable
10
IGNITION COIL ASSEMBLY
4X7-82310-70-00
Unavailable
13
PLUG CAP ASSY
1J7-82370-00-00
Unavailable
14
NUT, HEXAGON
95380-06600-00
Unavailable
15
WASHER, SPRING
92995-06100-00
Unavailable
16
MAIN SWITCH STEERING LOCK
3JV-82501-00-00
Unavailable
17
BOLT, HEXAGON DEEP RECESS
97D95-06016-00
Unavailable
18
WASHER, PLAIN (646)
92990-06600-00
Unavailable
19
FRONT STOP SWITCH ASSY
26H-83980-00-00
Unavailable
20
STOP SWITCH ASSEMBLY
4X7-82530-02-00
Unavailable
21
WIRE HARNESS ASSEMBLY
4X7-82590-52-00
Unavailable
22
. FUSE BOX ASSEMBLY
4X7-82170-00-00
Unavailable
23
GASKET
(4X7-82175-00-00)
Unavailable
24
FUSE
1A0-82151-00-00
Unavailable
25
FUSE (12V-15A)
4X7-82151-00-00
Unavailable
26
. COVER, FUSE BOX
20X-82172-00-00
Unavailable
27
SCREW, FLAT
98707-04010-00
Unavailable
28
SCREW, PAN HEAD(6E0)
97885-06030-00
Unavailable
29
WASHER, SPRING
92995-06100-00
Unavailable
30
WASHER, PLATE
90201-06048-00
Unavailable
31
. FUSE HOLDER ASSEMBLY
4X7-82150-00-00
Unavailable
32
FUSE
1A0-82161-00-00
Unavailable
33
IGNITOR UNIT ASSEMBLY 1
42X-82305-20-00
Unavailable
34
SCREW PAN HEAD
98580-06020-00
Unavailable
35
WASHER, SPRING
92995-06100-00
Unavailable
36
WASHER, PLAIN (646)
92990-06600-00
Unavailable
37
OIL LEVEL GAUGE ASSEMBLY
3JK-85720-00-00
Unavailable
38
WIRE, LEAD
4X7-85721-00-00
Unavailable
39
BOLT, SOCKET
91314-06016-00
Unavailable
40
SWITCH, SIDE STAND
33E-82566-00-00
Unavailable
41
SCREW, FLAT
98707-05016-00
Unavailable
