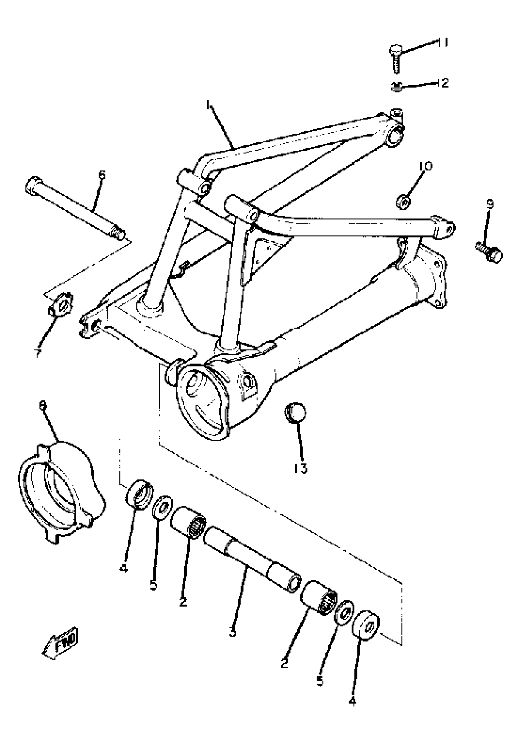
Yamaha XV750H (VIRAGO 750) 1981 SWING ARM Diagram
#
Description
Price
1
REAR ARM
4X7-22110-01-35
Unavailable
5
WASHER, PLATE
90201-245A0-00
Unavailable
6
SHAFT, PIVOT
4X7-22141-00-00
Unavailable
7
WASHER, LOCK
90215-16181-00
Unavailable
8
BOOT, RUBBER
4X7-22189-01-00
Unavailable
13
PLUG (4X7)
90338-20113-00
Unavailable
