Yamaha XV750H (VIRAGO 750) 1981 FUEL TANK Diagram
#
Description
Price
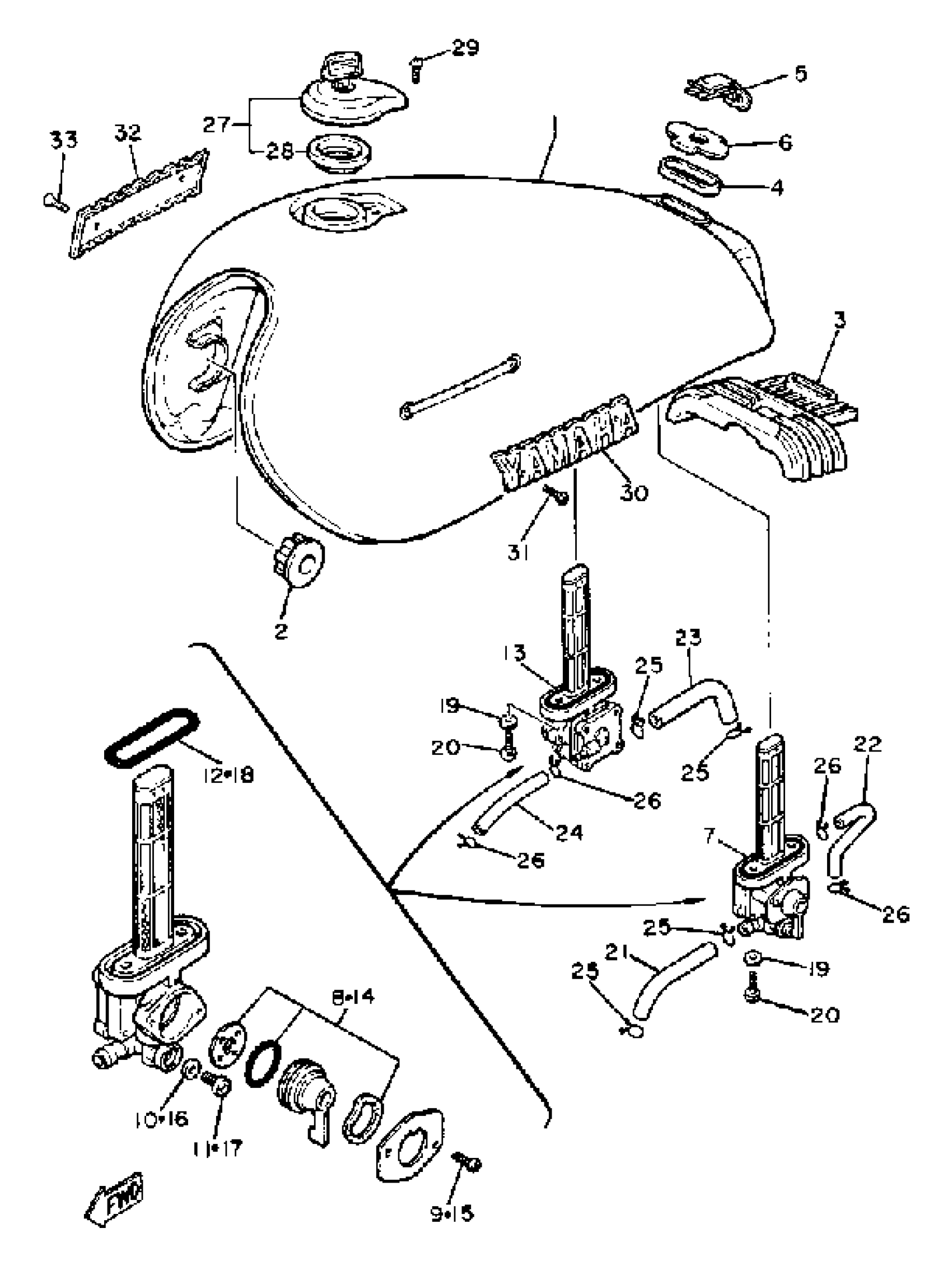
1
FUEL TANK
4X7-YK241-01-6G
Unavailable
1
FUEL TANK
4X7-24110-01-7J
Unavailable
3
DAMPER, LOCATING 2
4X7-24182-01-00
Unavailable
4
DAMPER, LOCATING 3
4H7-24183-00-00
Unavailable
5
CLIP
4X7-2411M-00-00
Unavailable
6
WASHER, SPECIAL
4K0-24186-00-00
Unavailable
11
SCREW, PAN HEAD(6A3)
97885-06008-00
Unavailable
17
SCREW, PAN HEAD(6A3)
97885-06008-00
Unavailable
19
WASHER, PLATE(3MB)
90202-05187-00
Unavailable
20
SCREW 256241430000
90149-06011-00
Unavailable
21
HOSE (L120)
90445-113E8-00
Unavailable
22
HOSE (L770)
90445-090G9-00
Unavailable
23
PIPE, FUEL 1
29L-24311-00-00
Unavailable
24
HOSE (L770)
90445-090G9-00
Unavailable
25
CLIP
90467-100A1-00
Unavailable
26
CLIP 101235600
90467-08003-00
Unavailable
27
CAP ASSY
4X7-24602-10-00
Unavailable
28
GASKET, TANK CAP
4X7-24612-00-00
Unavailable
29
SCREW, PAN HEAD(62X)
97885-05010-00
Unavailable
30
EMBLEM 1
4X7-24161-00-00
Unavailable
31
SCREW (2F0)
90152-04006-00
Unavailable
32
EMBLEM 2
4X7-24162-00-00
Unavailable
33
SCREW (2F0)
90152-04006-00
Unavailable
