- Partiron
- OEM Parts
- Yamaha
- motorcycle
- 1995
- XV750GC (VIRAGO 750 CA) 1995
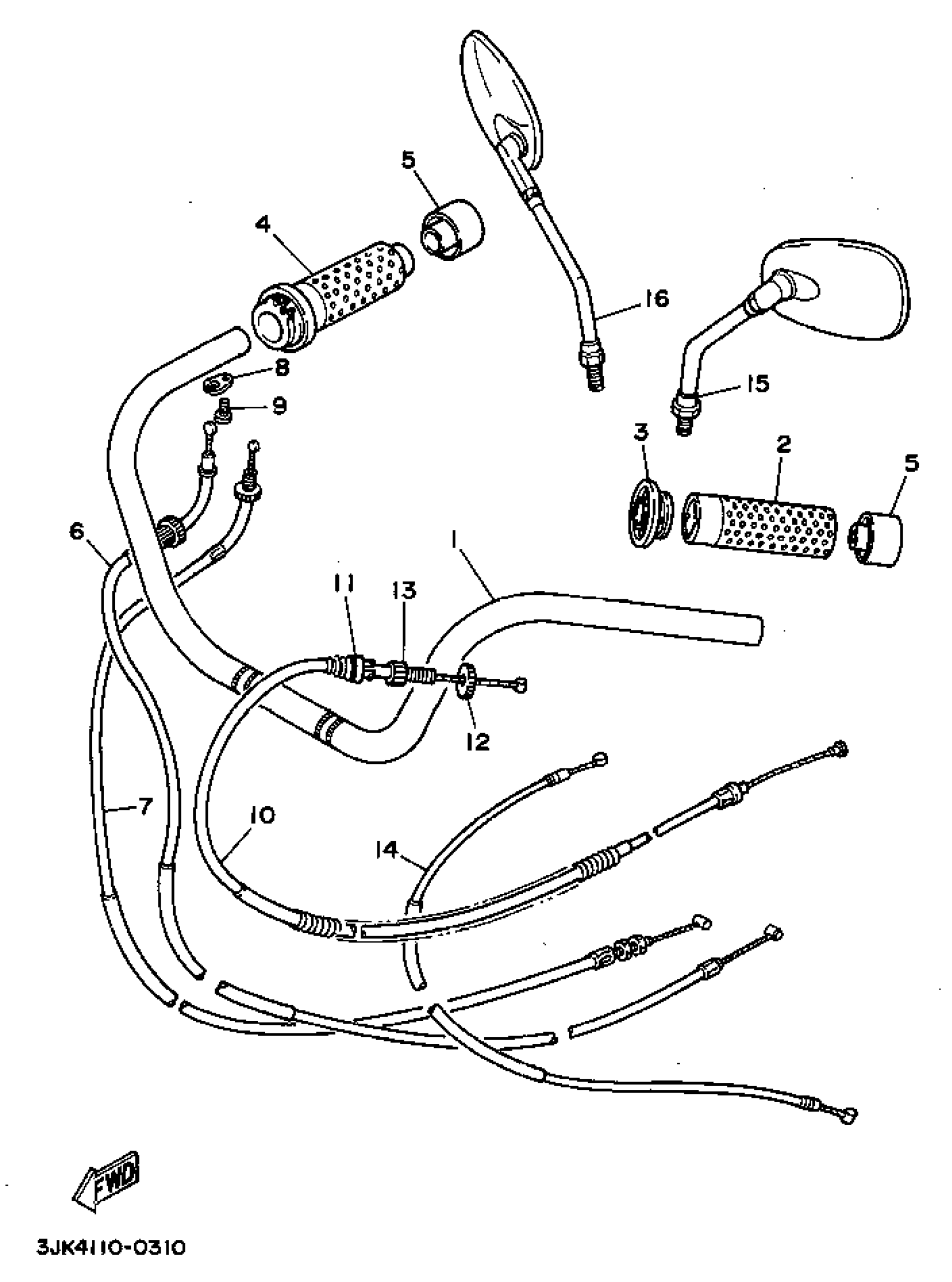
STEERING HANDLE CABLE
Yamaha XV750GC (VIRAGO 750 CA) 1995 STEERING HANDLE CABLE Diagram
#
Description
Price
1
HANDLEBAR (3AL-W2611-10-00)
3AL-W2611-00-00
Unavailable
16
REAR VIEW MIRROR ASSY (RIGHT)
1AA-26290-10-00
Unavailable
