- Partiron
- OEM Parts
- Yamaha
- motorcycle
- 1995
- XV750GC (VIRAGO 750 CA) 1995
REAR ARM SUSPENSION
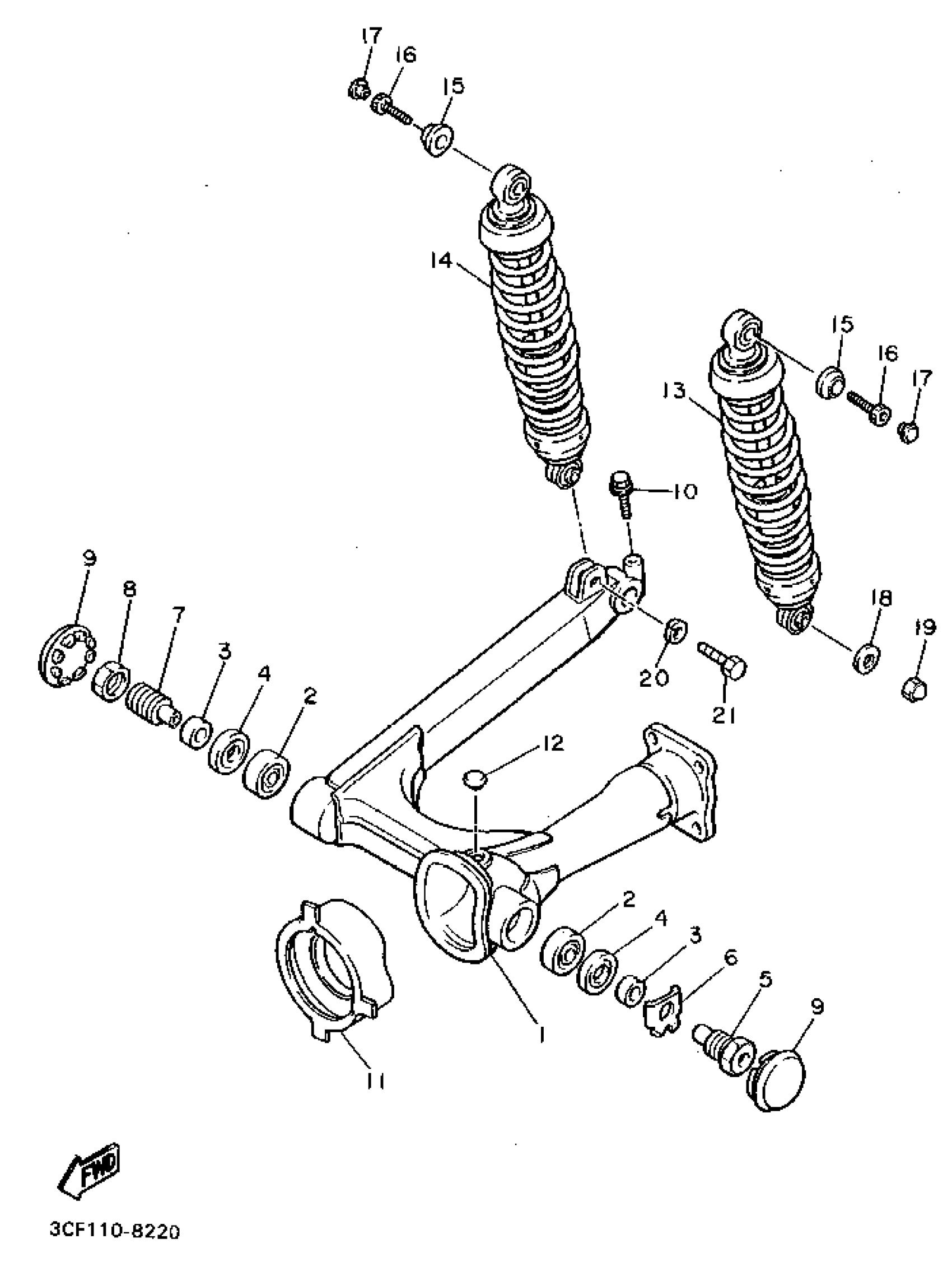
Yamaha XV750GC (VIRAGO 750 CA) 1995 REAR ARM SUSPENSION Diagram
#
Description
Price
1
REAR ARM COMP.
1RM-22110-01-35
Unavailable
5
SHAFT, PIVOT
42X-22141-00-00
Unavailable
7
SHAFT, PIVOT
15B-22141-00-00
Unavailable
11
BOOT, RUBBER
4X7-22189-01-00
Unavailable
12
PLUG (4X7)
90338-20113-00
Unavailable
13
SHOCK/ABS ASY,REAR
42X-22210-09-00
Unavailable
14
SHOCK ABSORBER ASSY, REAR
42X-22220-09-00
Unavailable
15
WASHER 1
57A-22243-01-00
Unavailable
16
BOLT,SOCKET
91314-08020-00
Unavailable
17
PLUG(42X)
90338-08163-00
Unavailable
18
WASHER, PLATE(3BM)
90201-105R9-00
Unavailable
19
NUT, CROWN(3BM)
90176-10073-00
Unavailable
20
YBS67-10 WASHER, SPRING
92990-10100-00
Unavailable
21
BOLT,DOME HEAD
90106-10052-00
Unavailable
