- Partiron
- OEM Parts
- Yamaha
- motorcycle
- 1993
- XV750EC (VIRAGO 750 CA) 1993
FUEL TANK CALIFORNIA
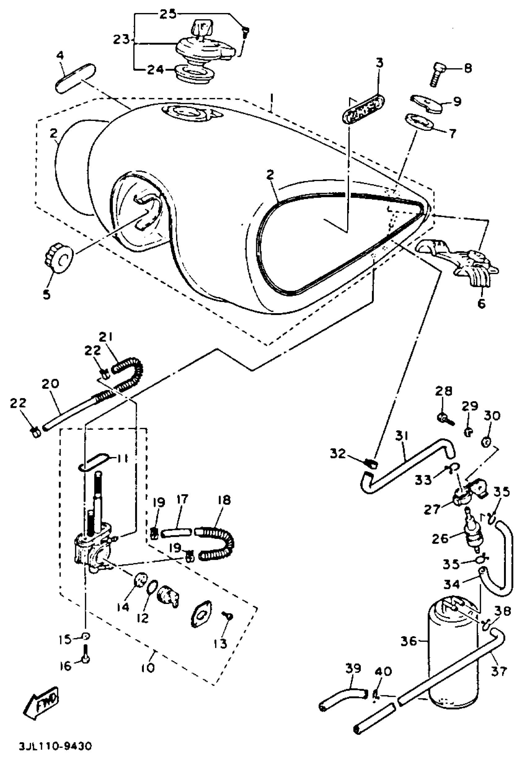
Yamaha XV750EC (VIRAGO 750 CA) 1993 FUEL TANK CALIFORNIA Diagram
#
1
FUEL TANK COMP
1RV-24110-00-X5
Unavailable
2
. GRAPHIC SET
3JL-24240-40-00
Unavailable
3
EMBLEM 1 (ORION SILVER) (DEEP VIOLET)
1RM-24161-00-00
Unavailable
4
EMBLEM 2 (ORION SILVER) (DEEP VIOLET)
1RM-24162-00-00
Unavailable
6
DAMPER, LOCATING 2
42X-24182-00-00
Unavailable
16
SCREW 256241430000
90149-06011-00
Unavailable
17
PIPE 10
3AL-24321-00-00
Unavailable
18
SPRING, COMPRESSION (27Y)
90501-08728-00
Unavailable
19
CLIP(42X)
90467-10091-00
Unavailable
20
HOSE
42X-2416A-00-00
Unavailable
21
SPRING, COMPRESSION
90501-085L6-00
Unavailable
22
CLIP(41W)
90467-08092-00
Unavailable
23
CAP ASSY
20K-24602-10-00
Unavailable
24
GASKET, TANK CAP
4X7-24612-00-00
Unavailable
25
SCREW, PAN HEAD(3LA)
98517-05010-00
Unavailable
26
ROLL OVER VALVE ASSY
25H-24180-00-00
Unavailable
27
HOLDER
42X-2419A-00-00
Unavailable
28
BOLT, HEXAGON
97017-06012-00
Unavailable
29
WASHER, SPRING
92907-06100-00
Unavailable
30
WASHER(6TA)
92907-06600-00
Unavailable
31
PIPE, JOINT 1
[42-X2437-60-00
Unavailable
32
CLIP(41W)
90467-08092-00
Unavailable
33
CLIP
90467-090A2-00
Unavailable
34
PIPE, JOINT 3
42X-24377-00-00
Unavailable
35
CLIP
90467-090A2-00
Unavailable
36
CANISTER ASSEMBLY
42H-24170-00-00
Unavailable
37
HOSE (L730)
90445-105K7-00
Unavailable
38
CLIP
90467-090A2-00
Unavailable
39
HOSE (L198)
90445-11293-00
Unavailable
40
CLIP(1JH)
90467-11106-00
Unavailable
