- Partiron
- OEM Parts
- Yamaha
- motorcycle
- 1993
- XV750EC (VIRAGO 750 CA) 1993
ELECTRICAL 2
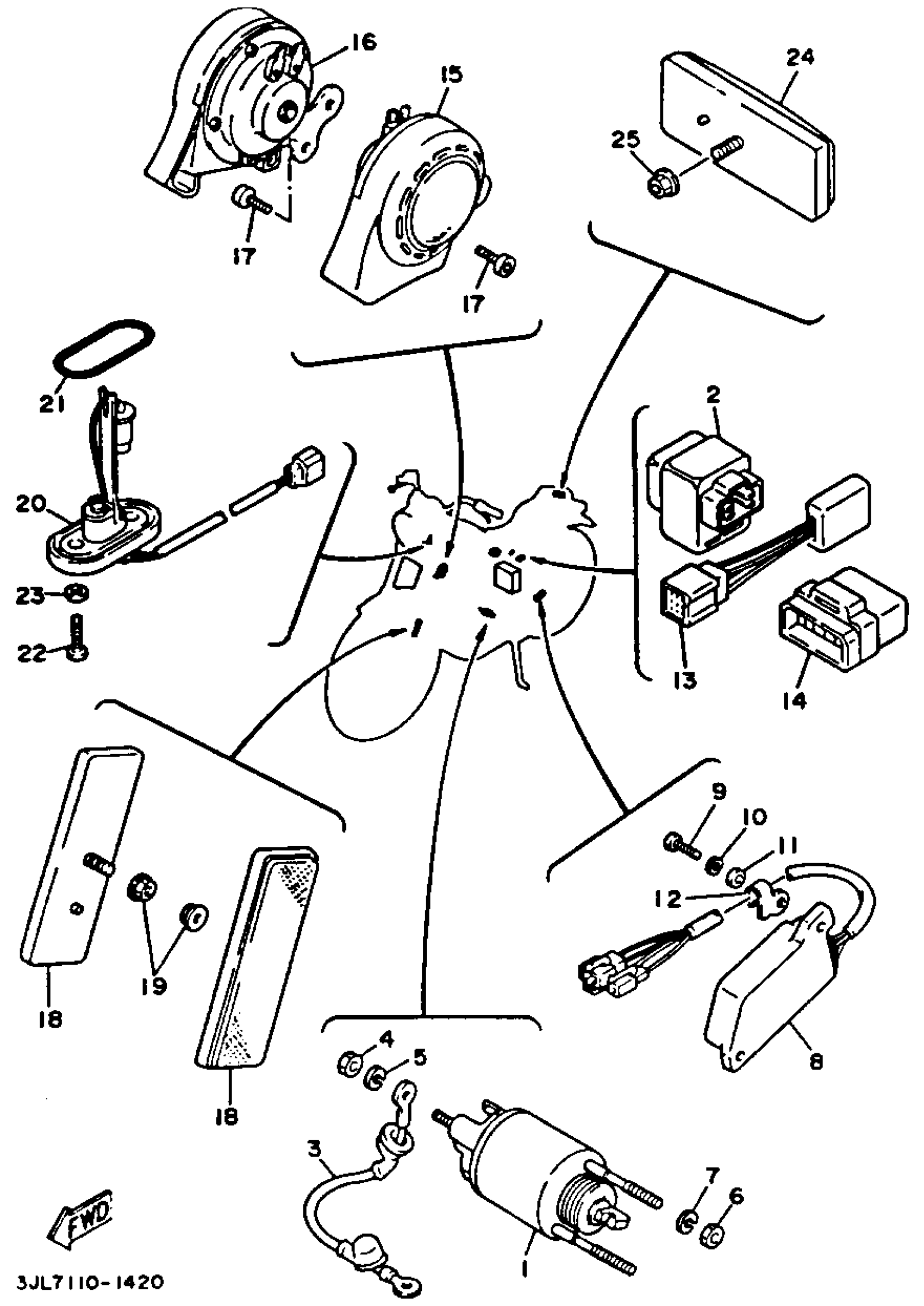
Yamaha XV750EC (VIRAGO 750 CA) 1993 ELECTRICAL 2 Diagram
#
Description
Price
1
SOLENOID
5A8-86110-50-00
Unavailable
3
CORD, STARTER MOTOR
3JK-81815-00-00
Unavailable
5
WASHER, SPRING
92995-06100-00
Unavailable
6
. NUT
95380-08700-00
Unavailable
9
SCREW, PAN HEAD
98580-06016-00
Unavailable
10
WASHER, SPRING
92995-06100-00
Unavailable
12
CLAMP
90465-10264-00
Unavailable
13
RECTIFIER 2
4U8-81980-M0-00
Unavailable
14
FLASHER RELAY ASSY
41R-83350-72-00
Unavailable
15
HORN
1RM-83371-00-00
Unavailable
16
HORN
4NK-83371-00-00
Unavailable
17
BOLT,SOCKET
91317-06012-00
Unavailable
18
REFLECTOR ASSEMBLY
42X-85110-00-00
Unavailable
19
NUT, FLANGE(3GM)
95707-05500-00
Unavailable
20
SENDER UNIT ASSEMBLY, FUEL METER
42X-85752-01-00
Unavailable
21
GASKET, SENDER UNIT
42X-85753-00-00
Unavailable
22
SCREW 256241430000
90149-06011-00
Unavailable
23
WASHER, PLATE(3MB)
90202-05187-00
Unavailable
24
REAR REFLECTOR ASY
2EN-85130-00-00
Unavailable
25
NUT, FLANGE(3GM)
95707-05500-00
Unavailable
