- Partiron
- OEM Parts
- Yamaha
- motorcycle
- 1993
- XV750EC (VIRAGO 750 CA) 1993
ELECTRICAL 1
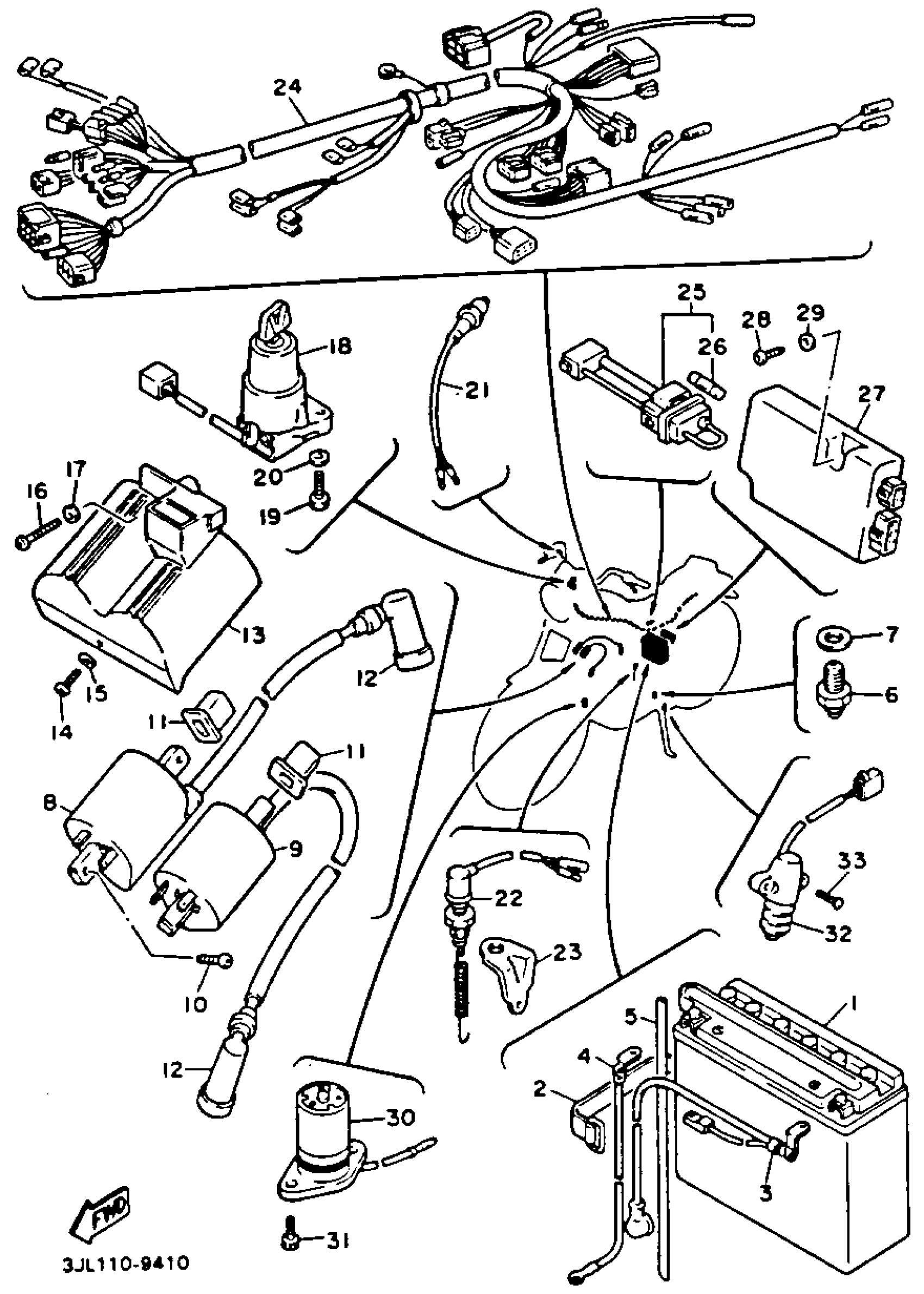
Yamaha XV750EC (VIRAGO 750 CA) 1993 ELECTRICAL 1 Diagram
#
Description
Price
1
YB16ALA2 YUASA BATTERY
YB1-6ALA2-00-00
Unavailable
3
WIRE, PLUS LEAD
42H-82115-01-00
Unavailable
4
WIRE, MINUS LEAD
42X-82116-00-00
Unavailable
8
IGNITION COIL ASSEMBLY
42X-82310-70-00
Unavailable
9
IGNITION COIL ASSEMBLY
42X-82320-70-00
Unavailable
10
SCREW, PAN HEAD
90157-05M19-00
Unavailable
11
DAMPER, IGNITION COIL
42X-82317-00-00
Unavailable
12
PLUG CAP ASSY
1J7-82370-00-00
Unavailable
13
COVER,IGNITN COIL
42X-82314-01-00
Unavailable
16
SCREW, PAN HEAD (76T)
98517-06025-00
Unavailable
18
MAIN SWITCH STEERING LOCK
42X-82501-50-00
Unavailable
19
BOLT, HEXAGON DEEP RECESS
97D95-06016-00
Unavailable
20
WASHER, PLAIN (646)
92990-06600-00
Unavailable
21
FRONT STOP SWITCH ASSY
26H-83980-00-00
Unavailable
22
STOP SWITCH ASSY
42X-82530-02-00
Unavailable
23
STAY, STOP SWITCH
1FK-82539-00-00
Unavailable
24
WIRE HARNESS ASS''Y
1RM-82590-00-00
Unavailable
25
. FUSE HOLDER ASSEMBLY
4X7-82150-00-00
Unavailable
26
FUSE
1A0-82161-00-00
Unavailable
27
IGNITOR UNIT ASSEMBLY
3JL-82305-00-00
Unavailable
28
SCREW, TAPPING
97780-60520-00
Unavailable
29
WASHER, PLATE (4F4)
90201-063A5-00
Unavailable
30
OIL LEVEL GAUGE ASSEMBLY
3JK-85720-00-00
Unavailable
31
BOLT, SOCKET
91314-06016-00
Unavailable
32
SWITCH, SIDE STAND
33E-82566-00-00
Unavailable
33
SCREW, FLAT
98707-05016-00
Unavailable
