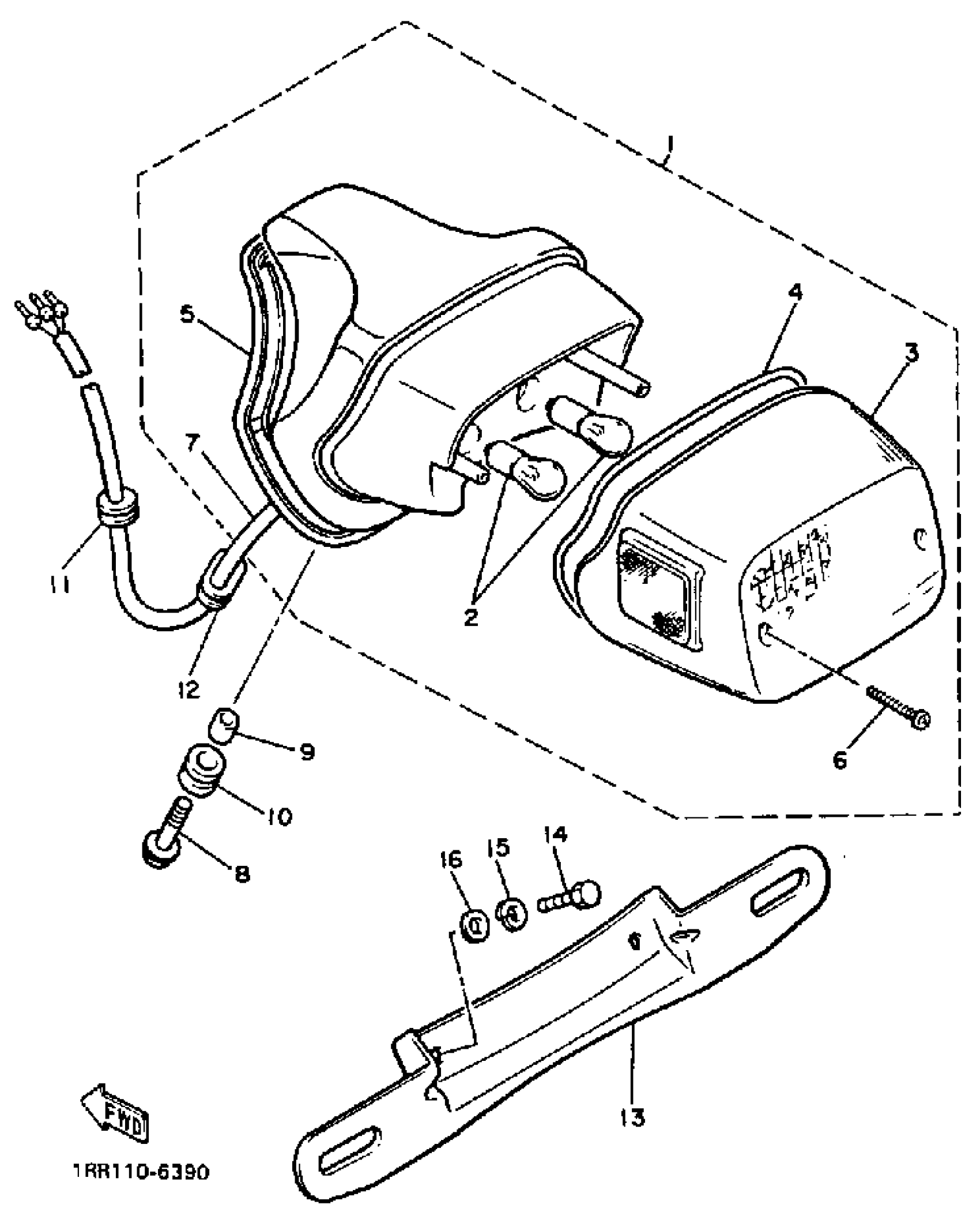
Yamaha XV700SSC (VIRAGO 700 CA) 1986 TAILLIGHT Diagram
#
Description
Price
1
TAILLIGHT ASSEMBLY
1RM-84700-60-00
Unavailable
3
LENS, TAILLIGHT
42X-84721-61-00
Unavailable
7
CORD,TAILLIGHT
461-84517-00-00
Unavailable
13
BRACKET, LICENSE
1RM-84751-00-00
Unavailable
15
WASHER, SPRING
92995-06100-00
Unavailable
16
WASHER, PLATE (4H7)
90201-061A5-00
Unavailable
