- Partiron
- OEM Parts
- Yamaha
- motorcycle
- 1984
- XV700LC (VIRAGO 700 CA) 1984
FUEL TANK CA
Yamaha XV700LC (VIRAGO 700 CA) 1984 FUEL TANK CA Diagram
#
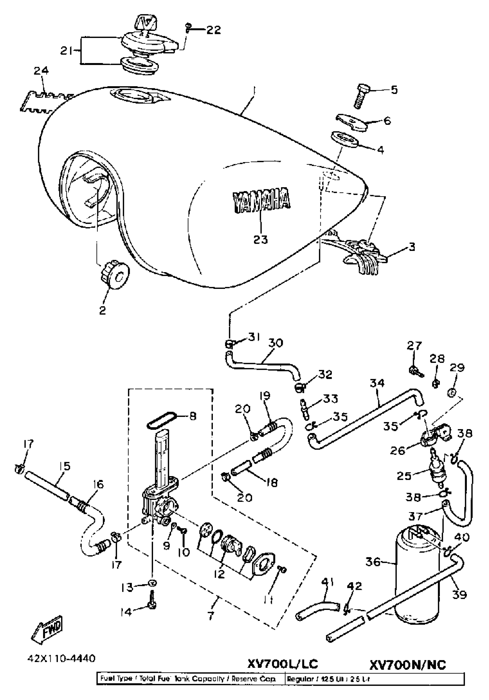
1
FUEL TANK
42X-24110-10-01
Unavailable
1
FUEL TANK ROMANESQUE CRIMSON
42X-24110-10-02
Unavailable
1
FUEL TANK ROMANESQUE CRIMSON
42X-24110-10-1W
Unavailable
1
FUEL TANK
42X-24110-10-FM
Unavailable
3
DAMPER, LOCATING 2
42X-24182-00-00
Unavailable
10
SCREW, PAN HEAD(6A3)
97885-06008-00
Unavailable
13
WASHER, PLATE(3MB)
90202-05187-00
Unavailable
14
SCREW 256241430000
90149-06011-00
Unavailable
15
PIPE 10
42X-24321-00-00
Unavailable
16
SPRING, COMPRESSION (27Y)
90501-08728-00
Unavailable
17
CLIP(42X)
90467-10091-00
Unavailable
18
HOSE
42X-2416A-00-00
Unavailable
19
SPRING, COMPRESSION
(90501-102A1-00)
Unavailable
20
CLIP(41W)
90467-08092-00
Unavailable
21
CAP ASSY
20K-24602-10-00
Unavailable
22
SCREW, PAN HEAD(3LA)
98517-05010-00
Unavailable
23
EMBLEM 1 (LC)
42X-24161-00-00
Unavailable
23
EMBLEM 1
56F-24161-00-00
Unavailable
23
EMBLEM 1 (NC)
57A-24161-00-00
Unavailable
24
EMBLEM 2 (LC)
42X-24162-00-00
Unavailable
24
EMBLEM 2
56F-24162-00-00
Unavailable
24
EMBLEM 2 (NC)
57A-24162-00-00
Unavailable
25
ROLL OVER VALVE ASSY
25H-24180-00-00
Unavailable
26
HOLDER
42X-2419A-00-00
Unavailable
27
BOLT, HEXAGON
97017-06012-00
Unavailable
28
WASHER, SPRING
92907-06100-00
Unavailable
29
WASHER(6TA)
92907-06600-00
Unavailable
30
PIPE, JOINT 1
(42X-24376-00-00)
Unavailable
31
CLIP(41W)
90467-08092-00
Unavailable
32
CLIP
90467-090A2-00
Unavailable
33
TUBE, CONNECTING
42H-24119-00-00
Unavailable
34
PIPE, JOINT 3
42X-24377-00-00
Unavailable
35
CLIP
90467-090A2-00
Unavailable
36
CANISTER ASSEMBLY
42H-24170-00-00
Unavailable
37
PIPE, JOINT 4
(42H-24378-00-00)
Unavailable
38
CLIP
90467-090A2-00
Unavailable
39
HOSE (L730)
90445-105K7-00
Unavailable
40
CLIP
90467-090A2-00
Unavailable
41
HOSE (L198)
90445-11293-00
Unavailable
42
CLIP(1JH)
90467-11106-00
Unavailable
