- Partiron
- OEM Parts
- Yamaha
- motorcycle
- 1986
- XV700CSC (VIRAGO 700 CA) 1986
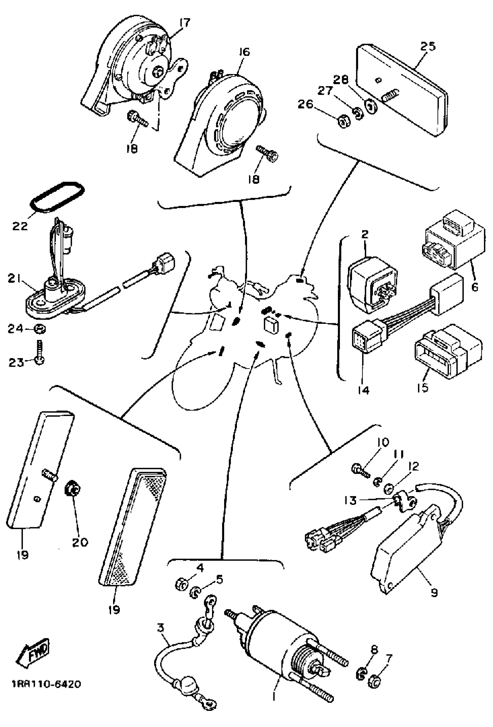
ELECTRICAL 2
Yamaha XV700CSC (VIRAGO 700 CA) 1986 ELECTRICAL 2 Diagram
#
Description
Price
1
SOLENOID
5A8-86110-50-00
Unavailable
3
CORD, STARTER MOTOR
3JK-81815-00-00
Unavailable
5
WASHER, SPRING
92995-06100-00
Unavailable
6
RELAY ASSY
4U8-81950-03-00
Unavailable
7
. NUT
95380-08700-00
Unavailable
11
WASHER, SPRING
92995-06100-00
Unavailable
13
CLAMP
90465-10264-00
Unavailable
14
RECTIFIER 2
4U8-81980-M0-00
Unavailable
15
FLASHER RELAY ASSY
41R-83350-72-00
Unavailable
16
HORN
1RM-83371-00-00
Unavailable
17
HORN
4NK-83371-00-00
Unavailable
18
BOLT,SOCKET
91317-06012-00
Unavailable
19
REFLECTOR ASSEMBLY
42X-85110-00-00
Unavailable
20
NUT, FLANGE(3GM)
95707-05500-00
Unavailable
21
SENDER UNIT ASSEMBLY, FUEL METER
42X-85752-01-00
Unavailable
22
GASKET, SENDER UNIT
42X-85753-00-00
Unavailable
23
SCREW 256241430000
90149-06011-00
Unavailable
24
WASHER, PLATE(3MB)
90202-05187-00
Unavailable
25
REAR REFLECTOR ASY
2EN-85130-00-00
Unavailable
26
NUT, HEXAGON SMALL
95317-05700-00
Unavailable
27
YBS67-5 WASHER, SPRING
92990-05100-00
Unavailable
28
. WASHER, PLAIN
92990-05200-00
Unavailable
