Partiron

Yamaha XV535U (VIRAGO 535) 1988 STARTING MOTOR Diagram

#

Description
Price

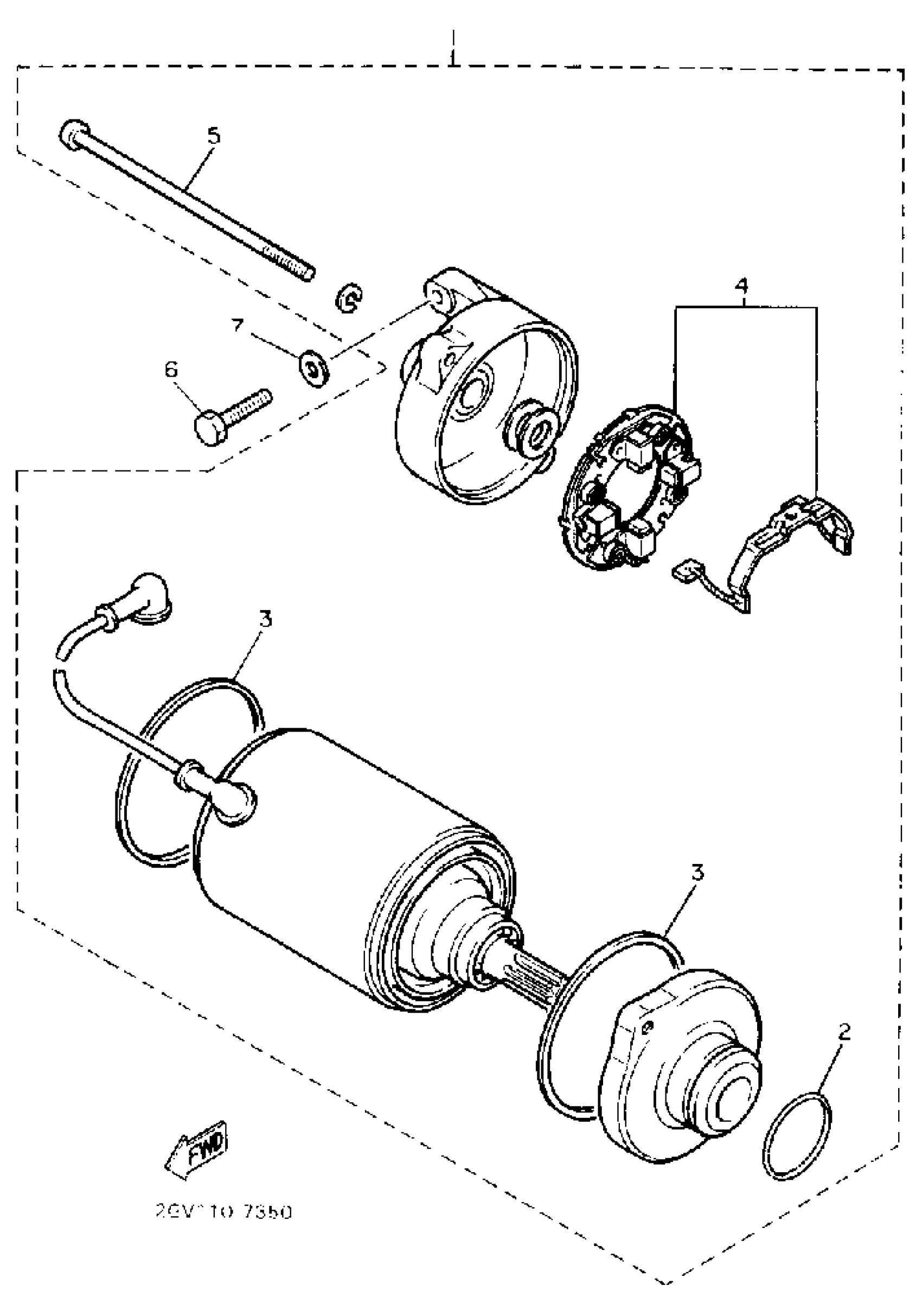
1

STARTING MOTOR UNIT

3JB-81890-00-00

Unavailable

2

. O-RING

5H0-81847-01-00

Unavailable

3

GASKET

4G0-81844-00-00

Unavailable

4

. BRUSH HOLDER ASSEMBLY

1VJ-81840-00-00

Unavailable

5

. BOLT

22U-81826-00-00

Unavailable

6

BOLT, HEXAGON

97017-06025-00

$4.24

7

WASHER, PLAIN (646)

92990-06600-00

$2.80