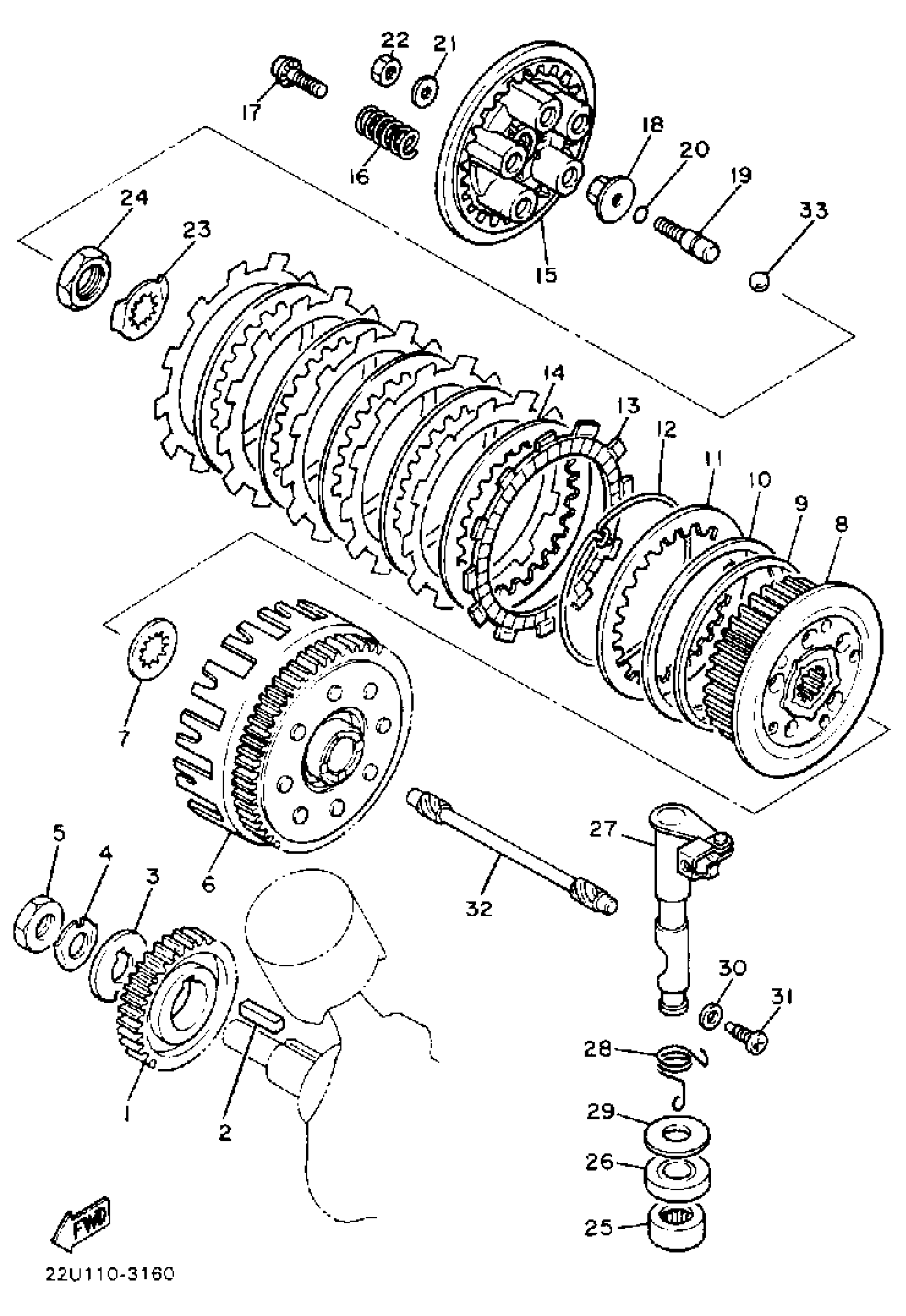
Yamaha XV535U (VIRAGO 535) 1988 CLUTCH Diagram
#
Description
Price
1
GEAR,PRI DRIVE
4KU-16111-00-00
Unavailable
6
PRIMARY DRIVEN GEAR COMP.
22U-16150-01-00
Unavailable
7
PLATE, THRUST 1
22U-16154-00-00
Unavailable
8
BOSS, CLUTCH
22U-16371-02-00
Unavailable
15
PLATE, PRESSURE 1
22U-16351-00-00
Unavailable
16
SPRING, COMPRESSION (22U)
90501-23738-00
Unavailable
17
SCREW, WITH WASHER (1W4)
90159-06016-00
Unavailable
18
PLATE, PUSH
1W1-16358-01-00
Unavailable
19
ROD, PUSH 1
5Y1-16356-00-00
Unavailable
20
O-RING (5Y1)
93210-09525-00
Unavailable
21
YBS66-6 WASHER, PLAIN
92990-06200-00
Unavailable
22
NUT, HEXAGON
95380-06600-00
Unavailable
23
WASHER, LOCK(47X)
90215-22244-00
Unavailable
24
NUT (26H)
90170-20323-00
Unavailable
25
BRG,CYL-CAL ROLLER 12G KY
93315-21813-00
Unavailable
26
OIL SEAL (22U)
93102-18278-00
Unavailable
27
PUSH LEVER ASSY
22U-16380-00-00
Unavailable
28
SPRING, TORSION (22U)
90508-16577-00
Unavailable
29
WASHER PLATE 168217580000
90201-18262-00
Unavailable
30
WASHER, PLATE 3411117500
90201-08087-00
Unavailable
31
SCREW 425163430000
90149-08067-00
Unavailable
32
ROD, PUSH 2
22U-16357-00-00
Unavailable
33
BALL (1M1)
93515-32029-00
Unavailable
