Partiron

Yamaha XV535SGC (VIRAGO 535 CA) 3JCL 1995 STARTING MOTOR Diagram

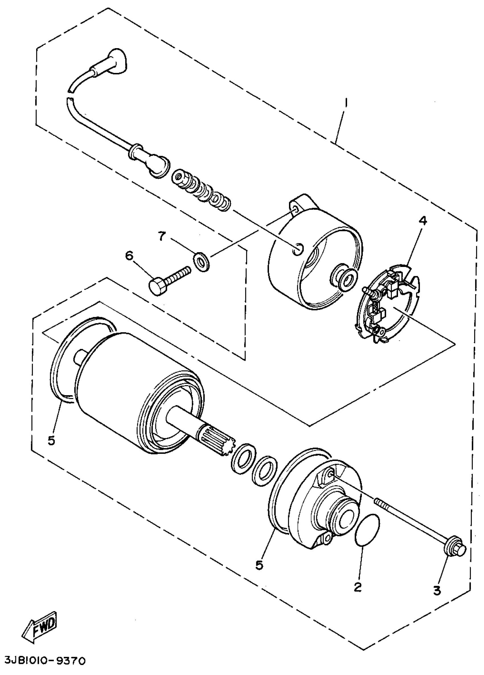
#

Description
Price

1

STARTING MOTOR UNIT

3JB-81890-00-00

Unavailable

2

O-RING (437)

93210-24235-00

$7.49

3

BOLT

3HE-81826-00-00

Unavailable

4

BRUSH HOLDER ASSY

3KS-81840-00-00

Unavailable

5

GASKET

35C-81844-00-00

Unavailable

6

BOLT, HEXAGON

97017-06025-00

$4.24

7

WASHER(6TA)

92907-06600-00

$2.72