- Partiron
- OEM Parts
- Yamaha
- motorcycle
- 1993
- XV535EC (VIRAGO 535 CA) 3JC8 1993
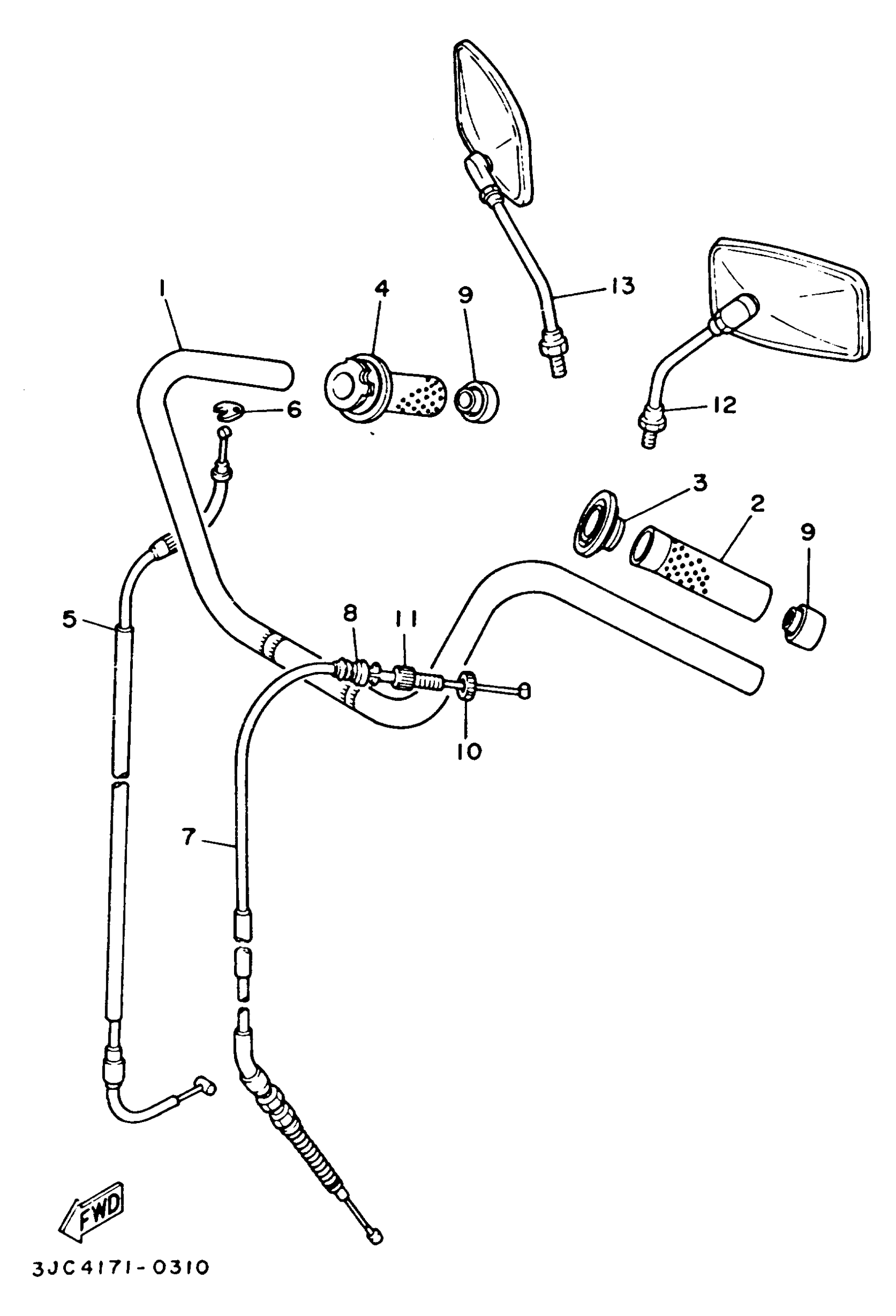
HANDLEBAR CABLE
Yamaha XV535EC (VIRAGO 535 CA) 3JC8 1993 HANDLEBAR CABLE Diagram
#
Description
Price
1
HANDLEBAR
2GV-26111-01-00
Unavailable
5
CABLE, THROTTLE 1
2NU-26311-00-00
Unavailable
