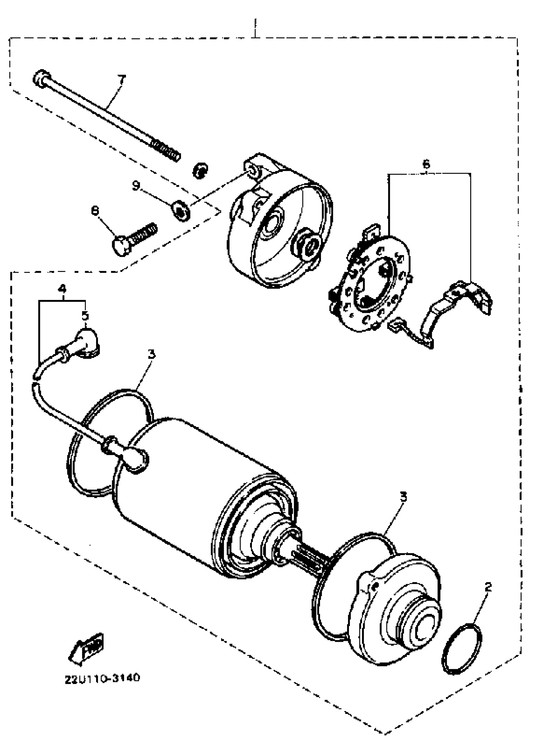
STARTING MOTOR
#
1
3JB-81890-00-00
Unavailable
2
5H0-81847-01-00
Unavailable
2
5H0-81847-01-00
Unavailable
3
4G0-81844-00-00
Unavailable
4
22U-81815-00-00
Unavailable
5
5H0-81871-00-00
Unavailable
6
1VJ-81840-00-00
Unavailable
7
22U-81826-00-00
Unavailable
Edit ride
