- Partiron
- OEM Parts
- Yamaha
- motorcycle
- 1989
- XV250WC (ROUTE 66 CA) 1989
FUEL TANK CALIFORNIA MODEL ONLY
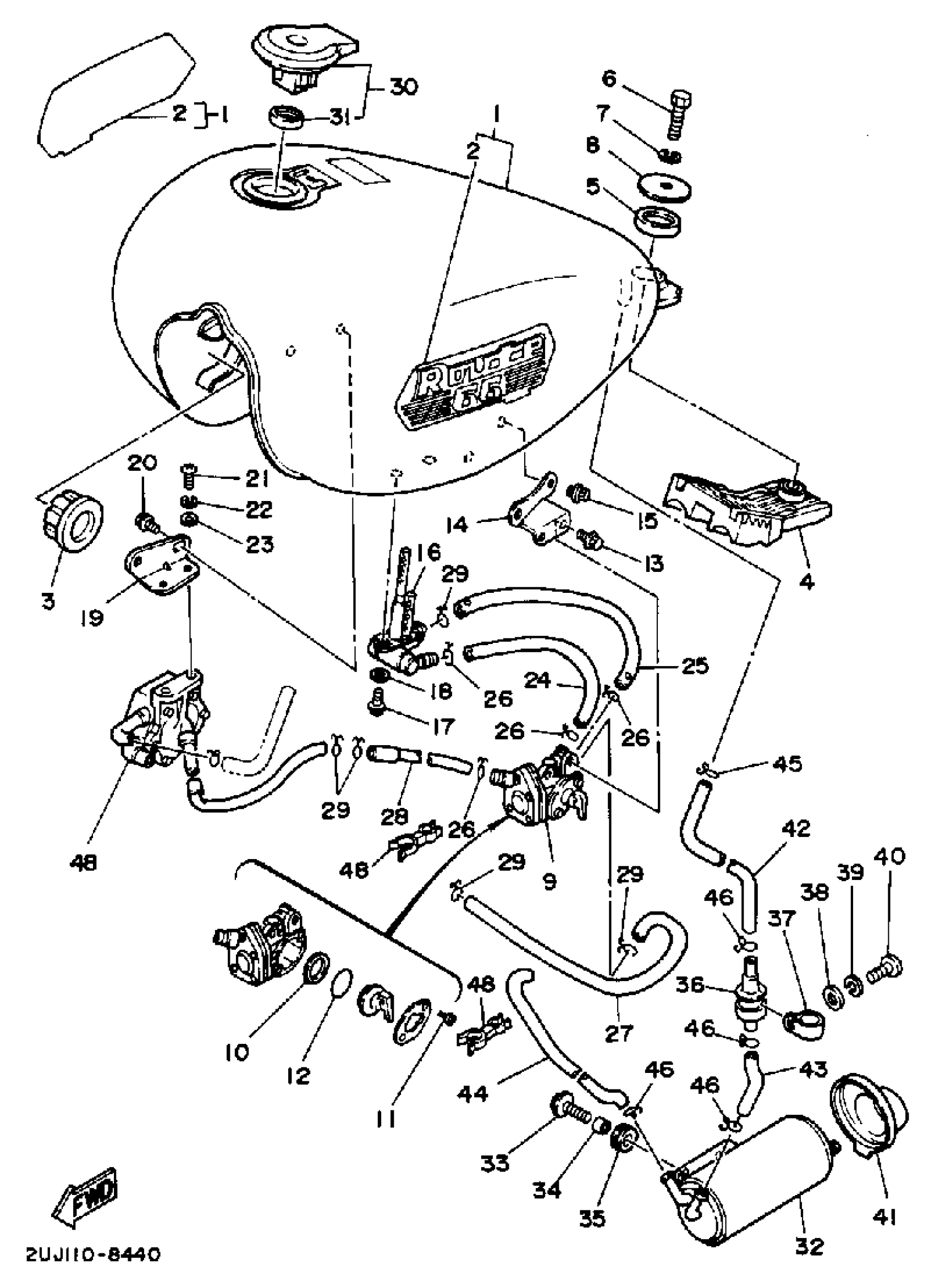
Yamaha XV250WC (ROUTE 66 CA) 1989 FUEL TANK CALIFORNIA MODEL ONLY Diagram
#
Description
Price
1
FUEL TANK
3BG-24110-00-03
Unavailable
1
FUEL TANK
3BG-24110-00-05
Unavailable
2
. EMBLEM 1
2UJ-24161-00-00
Unavailable
4
DAMPER, LOCATING 2
(2UJ-24182-00-00)
Unavailable
14
BRACKET, FUEL COCK
2UJ-24544-01-00
Unavailable
16
FILTER ASSY
2UJ-24560-10-00
Unavailable
17
SCREW 256241430000
90149-06011-00
Unavailable
18
WASHER, PLATE(3MB)
90202-05187-00
Unavailable
19
BRACKET, FUEL PUMP
2UJ-24491-01-00
Unavailable
21
SCREW, PAN HEAD(62J)
97885-06012-00
Unavailable
22
WASHER, SPRING
92995-06100-00
Unavailable
23
WASHER, PLAIN (646)
92990-06600-00
Unavailable
24
HOSE (L400)
90445-116K9-00
Unavailable
25
HOSE (L400)
90445-116K9-00
Unavailable
26
CLIP
90467-100A1-00
Unavailable
27
PIPE 2
2UJ-24312-01-00
Unavailable
28
PIPE 3
(2UJ-24313-00-00)
Unavailable
29
CLIP
90467-100A1-00
Unavailable
30
CAP ASSY
20K-24602-10-00
Unavailable
31
GASKET, TANK CAP
4X7-24612-00-00
Unavailable
32
CANISTER ASSEMBLY
(3BG-24170-00-00)
Unavailable
33
BOLT, WITH WASHER(81H)
90119-06118-00
Unavailable
34
COLLAR(4DN)
90387-0600V-00
Unavailable
35
GROMMET (16R)
90480-14329-00
Unavailable
36
ROLL OVER VALVE ASSY
25H-24180-00-00
Unavailable
