- Partiron
- OEM Parts
- Yamaha
- motorcycle
- 1989
- XV250WC (ROUTE 66 CA) 1989
ELECTRICAL 1
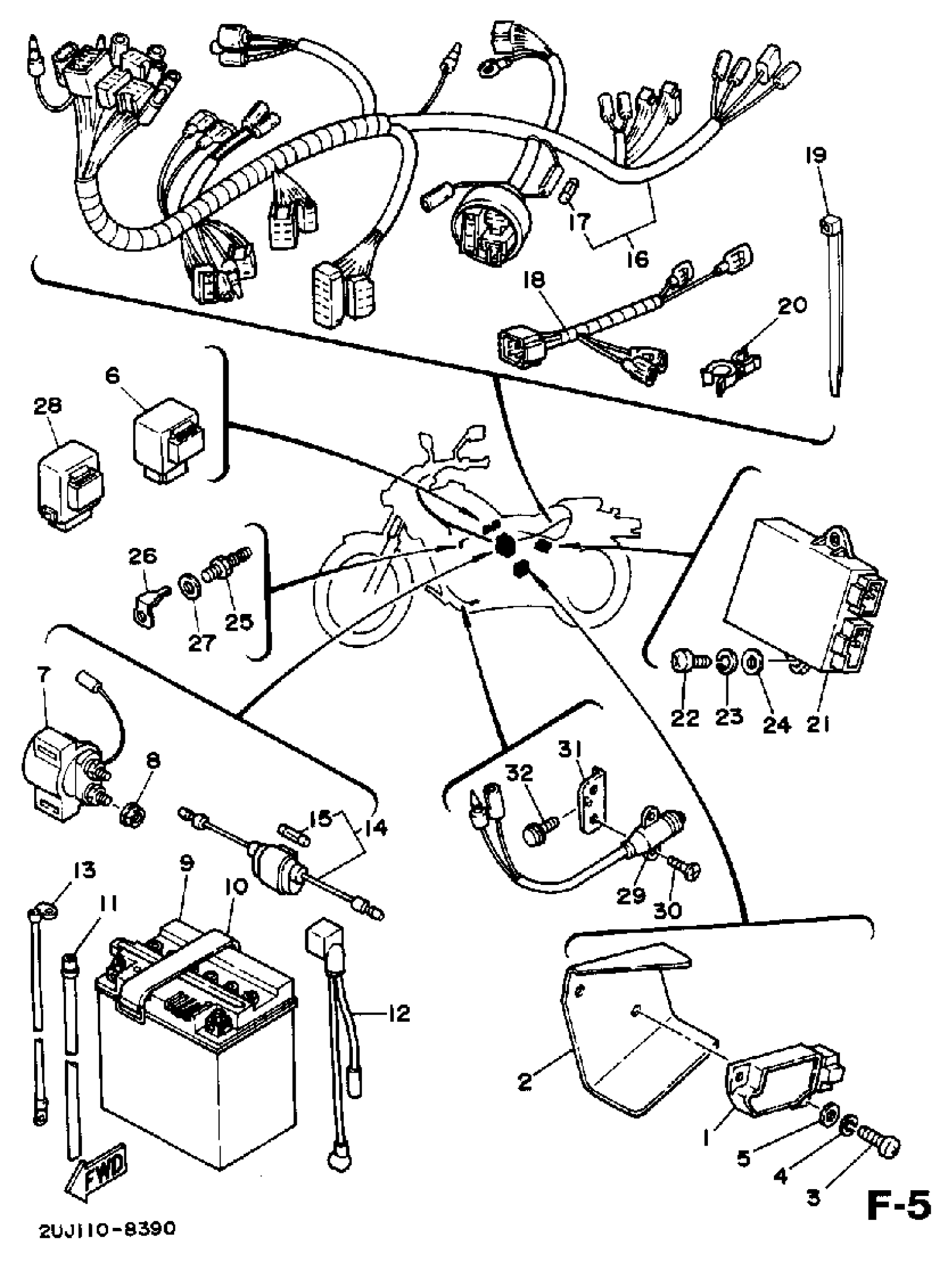
Yamaha XV250WC (ROUTE 66 CA) 1989 ELECTRICAL 1 Diagram
#
Description
Price
1
RECTIFIER & REGULATOR ASSY
47X-81960-A3-00
Unavailable
2
PLATE, RECTIFIER FITTING
2UJ-81975-00-00
Unavailable
4
WASHER, SPRING
92995-06100-00
Unavailable
7
STARTER RELAY ASSY
36Y-81940-00-00
Unavailable
9
YB10LA2 YUASA BATTERY
YB1-0LA20-00-00
Unavailable
11
HOSE
90445-08719-00
Unavailable
12
WIRE, PLUS LEAD
2UJ-82115-01-00
Unavailable
14
FUSE HOLDER ASSY
2UJ-82150-02-00
Unavailable
16
WIRE,HARNESS
2UJ-82590-01-00
Unavailable
16
WIRE HARNESS ASSEMBLY
(3BG-82590-00-00)
Unavailable
17
FUSE (10A)
1E6-82151-00-00
Unavailable
18
WIRE, SUB LEAD
2UJ-82509-01-00
Unavailable
19
BAND
1UA-82591-00-00
Unavailable
20
CLAMP
(90464-16119-00)
Unavailable
21
IGNITOR UNIT ASSY
2UJ-82305-00-00
Unavailable
22
SCREW, PAN
98507-06014-00
Unavailable
23
WASHER, SPRING
92995-06100-00
Unavailable
25
HEATER ASSYMODEL ONLY
3BG-83790-00-00
Unavailable
25
HEATER ASSY (14V-20W)
3DM-83790-00-00
Unavailable
26
TERMINAL 1
(1AJ-82103-00-00)
Unavailable
27
WASHER, PLATE
90201-08016-00
Unavailable
28
FLASHER RELAY ASSY
2UJ-83350-01-00
Unavailable
29
SWICH, SIDE STAND
5Y1-82566-00-00
Unavailable
30
SCREW, FLAT
98707-05016-00
Unavailable
31
PANEL, SWITCH
2UJ-82565-00-00
Unavailable
32
BOLT, FLANGE
95817-06010-00
Unavailable
