Yamaha XV250WC (ROUTE 66 CA) 1989 CLUTCH Diagram
#
Description
Price
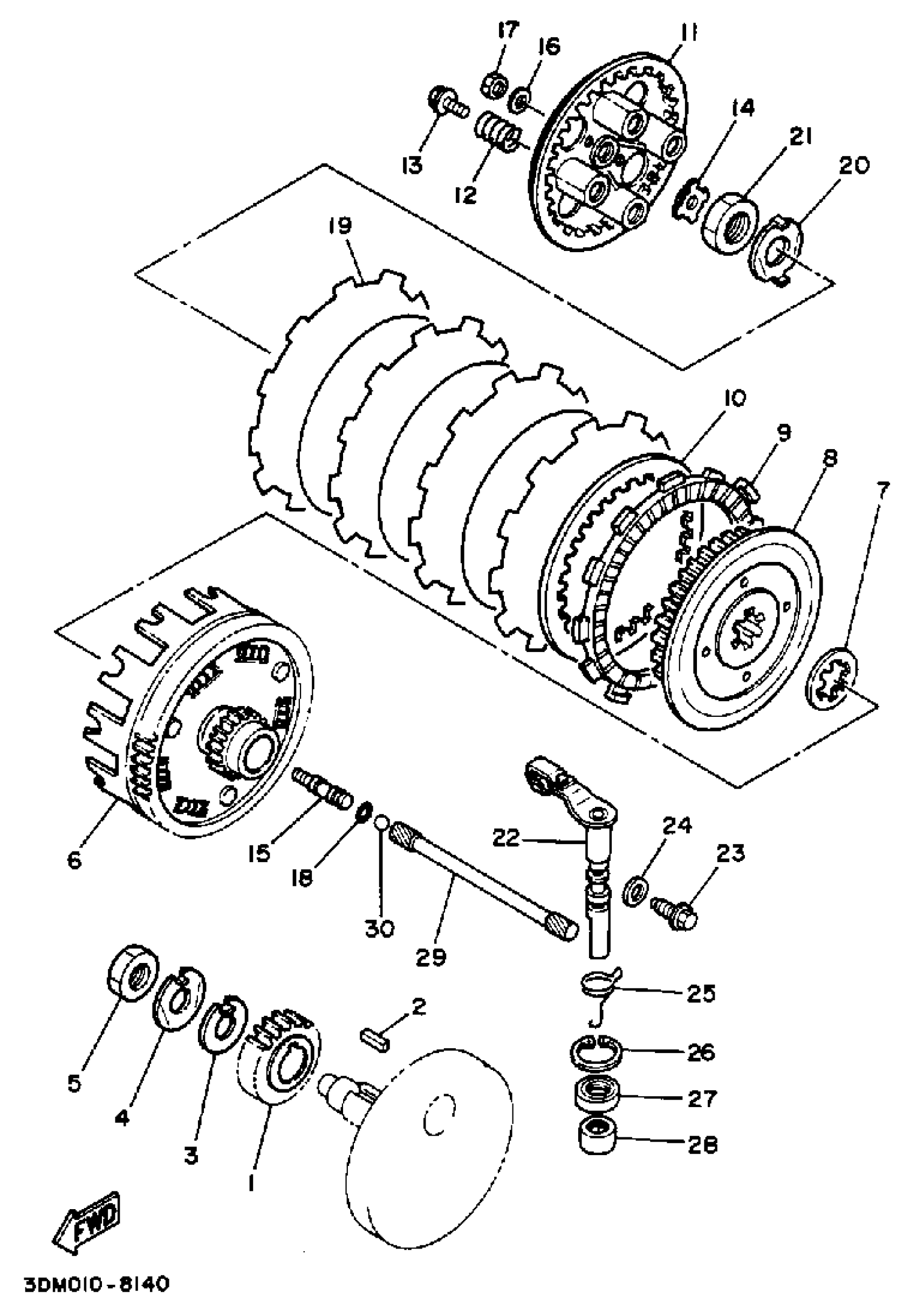
1
GEAR, PRIMARY DRIVE
(3Y6-16111-03-00)
Unavailable
6
PRI DRVN GEAR
(2UJ-16150-00-00)
Unavailable
8
BOSS, CLUTCH
30X-16371-00-00
Unavailable
15
ROD, PUSH 1
30X-16356-00-00
Unavailable
16
YBS66-6 WASHER, PLAIN
92990-06200-00
Unavailable
17
NUT, HEXAGON
95380-06600-00
Unavailable
18
O-RING (26H)
93210-06632-00
Unavailable
19
PLATE, FRICTION
4H7-16321-02-00
Unavailable
20
WASHER, LOCK (30X)
90215-16320-00
Unavailable
21
NUT, HEXAGON (30X)
90170-16326-00
Unavailable
22
PUSH LEVER ASSEMBLY
(2UJ-16380-00-00)
Unavailable
23
SCREW 425163430000
90149-08067-00
Unavailable
24
WASHER, PLATE 3411117500
90201-08087-00
Unavailable
25
SPRING, TORSION (3Y1)
90508-14433-00
Unavailable
26
CIRCLIP (3Y1)
93420-28055-00
Unavailable
27
OIL SEAL (3Y1)
93102-14209-00
Unavailable
28
BEARING, CYLINDRICAL (3Y1)
93315-31428-00
Unavailable
29
ROD, PUSH 2
2UJ-16357-00-00
Unavailable
30
BALL (498)
93511-32027-00
Unavailable
