- Partiron
- OEM Parts
- Yamaha
- motorcycle
- 1988
- XV250UC (ROUTE 66 CA) 1988
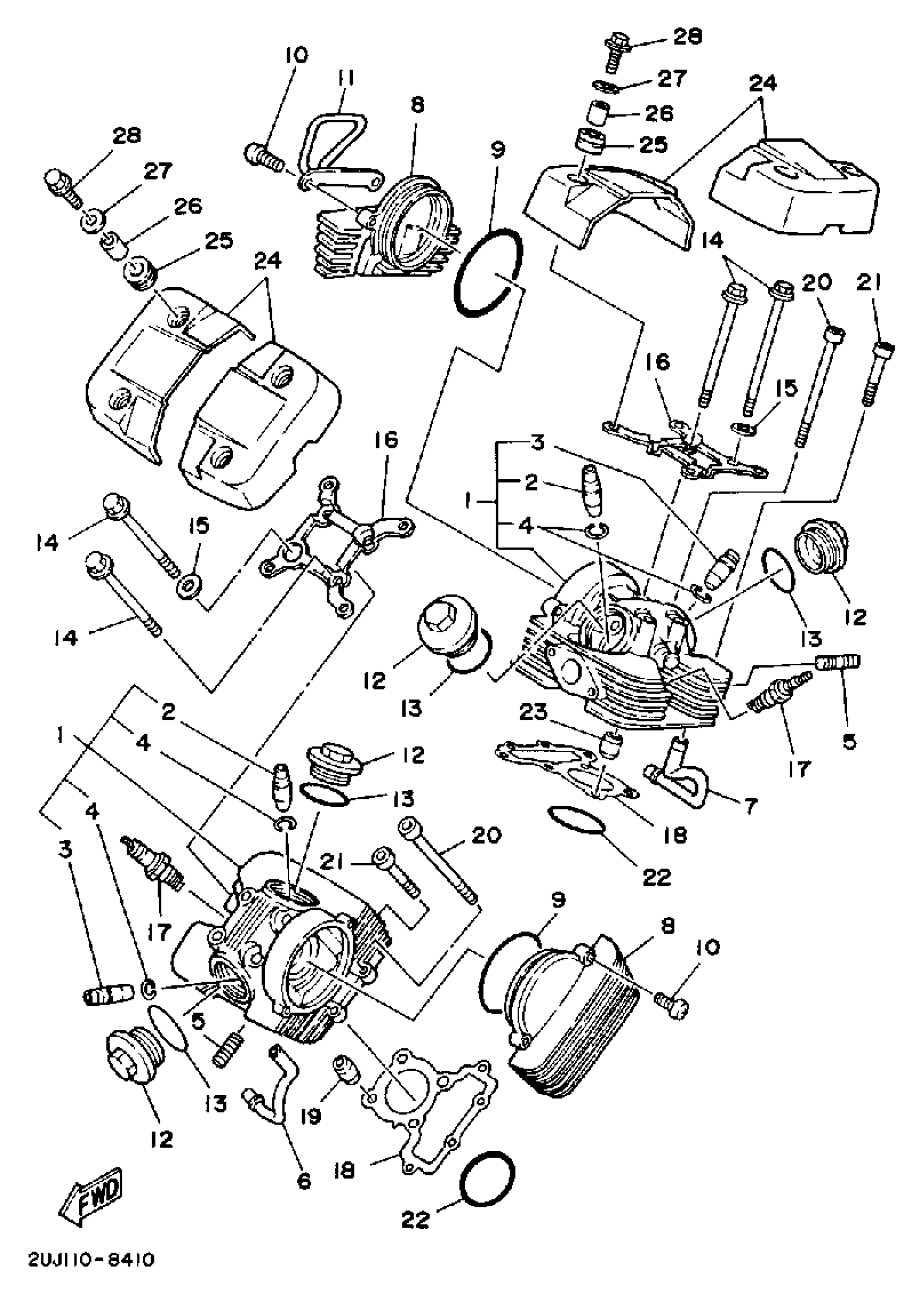
CYLINDER HEAD CALIFORNIA MODEL ONLY
Yamaha XV250UC (ROUTE 66 CA) 1988 CYLINDER HEAD CALIFORNIA MODEL ONLY Diagram
#
Description
Price
1
CYLINDER HEAD ASSY
3BG-11102-01-00
Unavailable
6
PIPE 1
(3BG-14871-00-00)
Unavailable
7
PIPE 2
(3BG-14872-00-00)
Unavailable
8
COVER, CYLINDER HEAD SIDE 1
2UJ-11185-01-00
Unavailable
11
BRACKET, CYLINDER HEAD COVER
2UJ-11152-00-00
Unavailable
16
BRACKET, CYLINDER HEAD COVER 2
2UJ-11142-01-00
Unavailable
17
C6HSA NGK SPLUG 4PK
C6H-SA000-00-00
Unavailable
18
GASKET, CYLINDER HEAD 1
2UJ-11181-01-00
Unavailable
19
PIN, DOWEL(3VD)
99530-10114-00
Unavailable
20
BOLT, SOCKET
91317-06110-00
Unavailable
21
BOLT, SOCKET
91314-06040-00
Unavailable
22
O-RING
93210-53679-00
Unavailable
23
PIN, DOWEL(3VD)
99530-10114-00
Unavailable
24
COVER, CYLINDER HEAD SIDE 2
2UJ-11186-00-00
Unavailable
25
GROMMET (462)
90480-13018-00
Unavailable
26
COLLAR
90387-06043-00
Unavailable
27
WASHER, PLATE (J10)
90201-06697-00
Unavailable
28
BOLT, FLANGE(3DM)
95024-06020-00
Unavailable
