- Partiron
- OEM Parts
- Yamaha
- motorcycle
- 1988
- XV250UC (ROUTE 66 CA) 1988
CARBURETOR
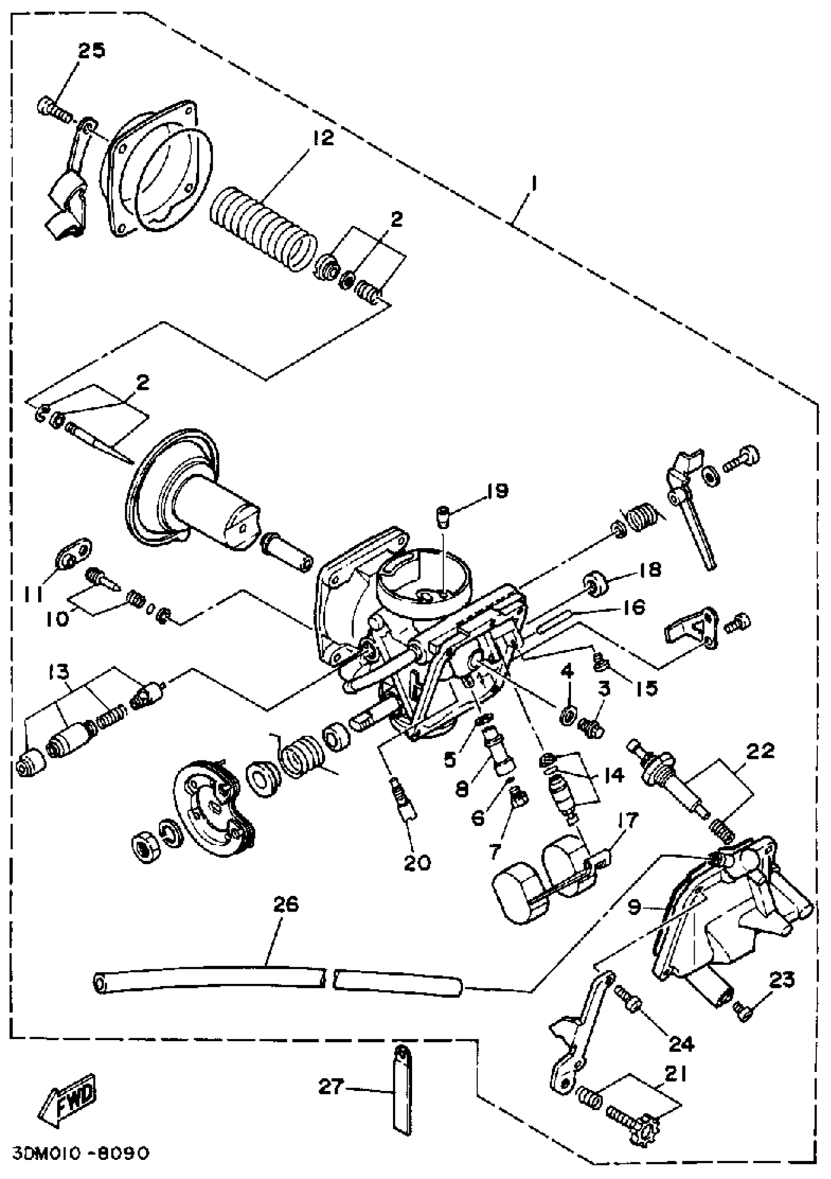
Yamaha XV250UC (ROUTE 66 CA) 1988 CARBURETOR Diagram
#
Description
Price
1
CARBURETOR ASSEMBLY.
(3BG-14900-00-00)
Unavailable
2
NEEDLE SET
3BG-1490J-00-00
Unavailable
11
CAP
3F9-14118-00-00
Unavailable
12
SPRING, DIAPHRAGM
1HX-14933-00-00
Unavailable
15
SCREW
1FN-14565-00-00
Unavailable
16
PIN, FLOAT
353-14186-00-00
Unavailable
17
FLOAT
1HX-14985-00-00
Unavailable
18
.. SEAL
256-14997-00-00
Unavailable
19
JET, MAIN (#155)
(1HX-14231-31-00)
Unavailable
20
JET, PILOT (#17.5)
22F-14142-17-00
Unavailable
21
THROTTLE SCREW SET
1HX-14103-00-00
Unavailable
22
ROD SET
3DM-14504-01-00
Unavailable
23
PLUG, DRAIN
12R-14191-00-00
Unavailable
24
SCREW, PAN HEAD(GA5)
98580-04014-00
Unavailable
25
SCREW, PAN HEAD
98511-04012-00
Unavailable
26
PIPE
(2LH-14197-00-00)
Unavailable
27
PLATE
3XV-14243-00-00
Unavailable
