- Partiron
- OEM Parts
- Yamaha
- motorcycle
- 1999
- XV250LC (VIRAGO 250 CA) 3BG8 1999
ELECTRICAL 1
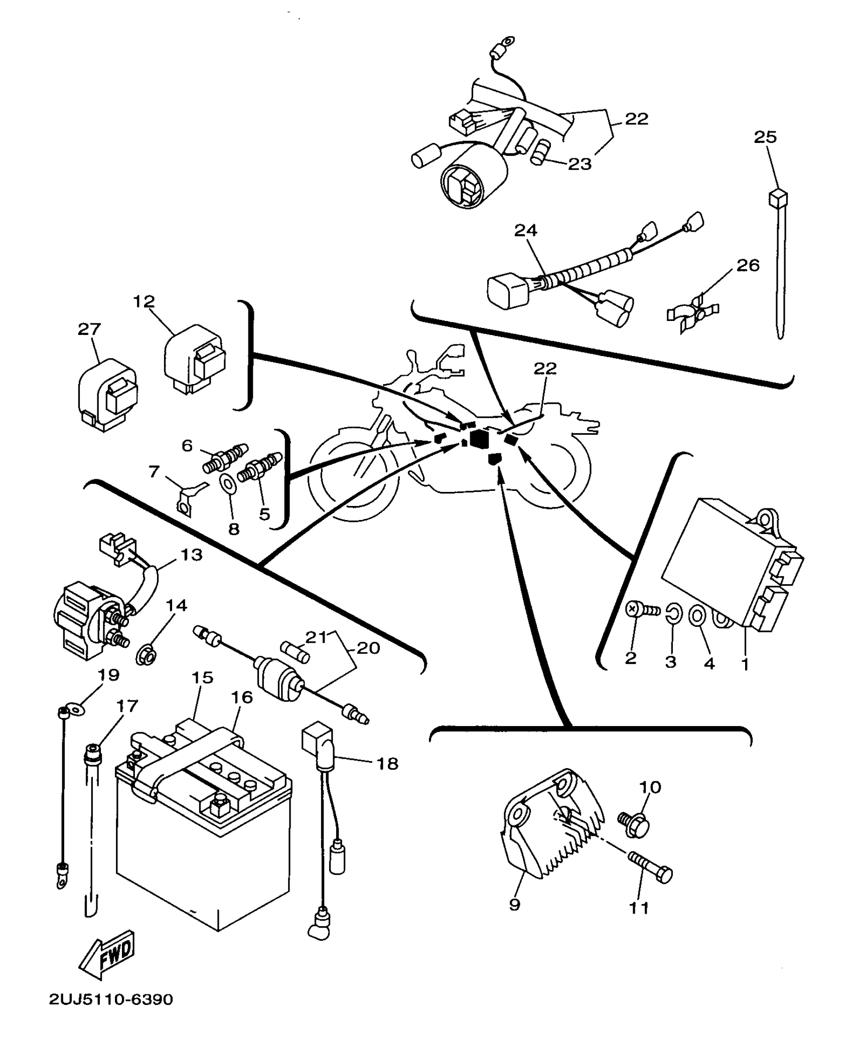
Yamaha XV250LC (VIRAGO 250 CA) 3BG8 1999 ELECTRICAL 1 Diagram
#
Description
Price
5
HEATER ASSY (14V-20W)
3DM-83790-00-00
Unavailable
13
STARTER RELAY ASSY
36Y-81940-00-00
Unavailable
15
YB10LA2 YUASA BATTERY
YB1-0LA20-00-00
Unavailable
16
BAND, BATTERY
118-82131-00-00
Unavailable
17
HOSE
90445-08719-00
Unavailable
18
WIRE, PLUS LEAD
2UJ-82115-01-00
Unavailable
19
WIRE, MINUS LEAD
2UJ-82116-00-00
Unavailable
20
FUSE HOLDER ASSY
2UJ-82150-02-00
Unavailable
21
FUSE
1A0-82161-00-00
Unavailable
22
WIRE HARNESS ASSY
2UJ-82590-10-00
Unavailable
22
WIRE HARNESS ASSY
3BG-82590-20-00
Unavailable
23
FUSE (10A)
1E6-82151-00-00
Unavailable
24
WIRE, SUB LEAD
2UJ-82509-01-00
Unavailable
25
BAND
1UA-82591-00-00
Unavailable
26
CLAMP(3BG)
90464-16119-00
Unavailable
27
FLASHER RELAY ASSY
3GM-83350-03-00
Unavailable
