Partiron

Yamaha XV250KC (VIRAGO 250 CA) 1998 STARTING MOTOR Diagram

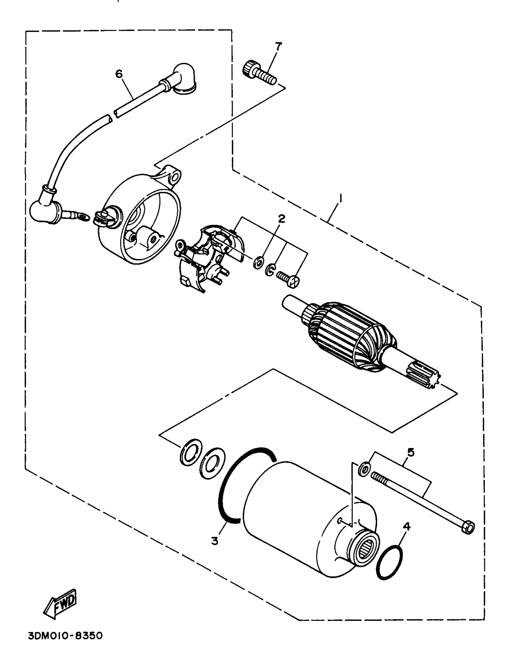
#

Description
Price

1

MOTOR ASSY

2UJ-81890-05-00

$218.99

2

BRUSH SET

3C5-81801-00-00

$23.99

3

O-RING(50M)

93210-55669-00

$8.49

4

O-RING(1RL)

93210-25711-00

$7.49

5

BOLT 2

59V-81828-M0-00

$16.49

6

CORD COMP.

2UJ-8183G-00-00

Unavailable

7

BOLT,SOCKET HEAD

91314-06020-00

$1.49