- Partiron
- OEM Parts
- Yamaha
- motorcycle
- 2018
- XV250JCB (XV250 CA) 46BP 2018
ELECTRICAL 2
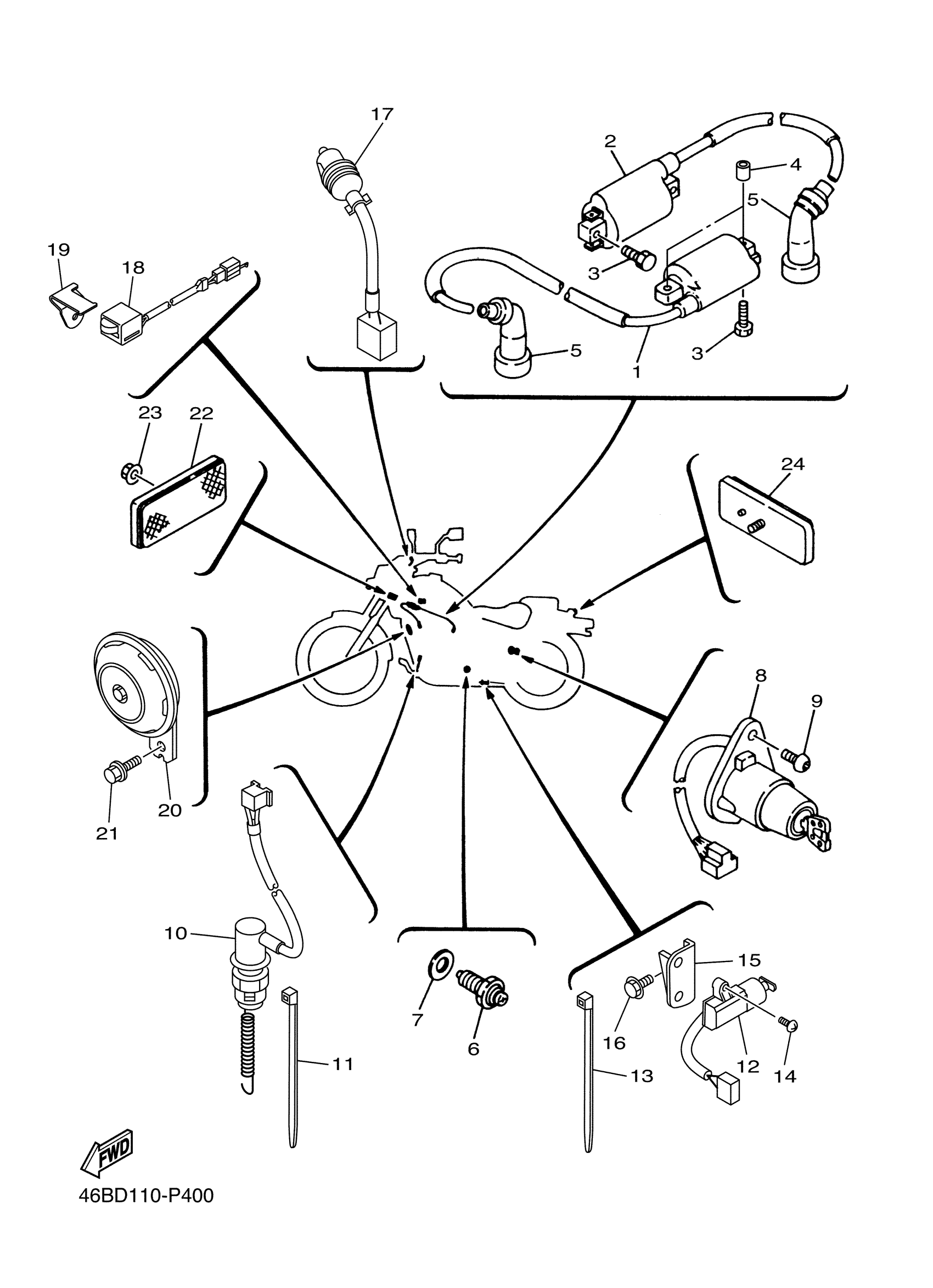
Yamaha XV250JCB (XV250 CA) 46BP 2018 ELECTRICAL 2 Diagram
#
Description
Price
10
STOP SWITCH ASSY
5PW-82530-01-00
Unavailable
15
PANEL, SWITCH
2UJ-82565-00-00
Unavailable
16
BOLT, FLANGE
95817-06010-00
Unavailable
17
FRONT STOP SWITCH ASSY
19D-83980-10-00
Unavailable
18
THERMO SWITCH ASSY
5FU-82560-40-00
Unavailable
19
PANEL, SWITCH
3BG-82571-00-00
Unavailable
20
HORN
1HX-83371-11-00
Unavailable
21
BOLT, FLANGE
95817-06010-00
Unavailable
22
FRONT REFLECTOR ASSY
11H-85110-01-00
Unavailable
23
NUT, FLANGE(3GM)
95707-05500-00
Unavailable
24
REAR REFLECTOR ASSY
3Y6-85130-02-00
Unavailable
