- Partiron
- OEM Parts
- Yamaha
- motorcycle
- 1997
- XV250JC (VIRAGO 250 CA) 1997
REAR ARM SUSPENSION
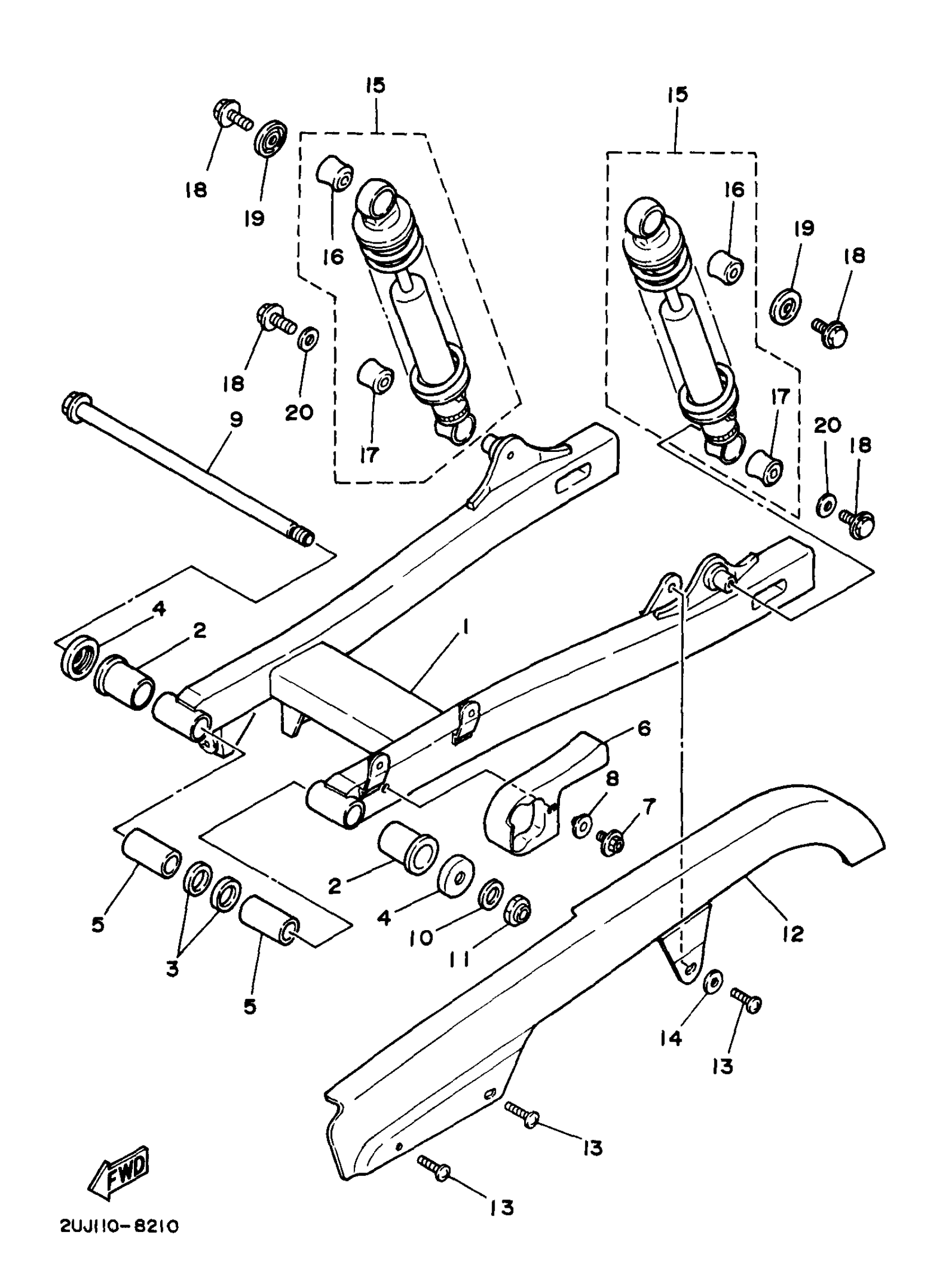
Yamaha XV250JC (VIRAGO 250 CA) 1997 REAR ARM SUSPENSION Diagram
#
Description
Price
6
SEAL, GUARD
55K-22151-01-00
Unavailable
9
SHAFT, PIVOT
2UJ-22141-01-00
Unavailable
12
CASE, CHAIN
3LS-22311-00-00
Unavailable
16
DAMPER, SHOCK ABSORBER LOWER
447-22217-21-00
Unavailable
17
BUSH, REAR SHOCK ABSORBER
447-22216-20-00
Unavailable
18
BOLT, FLANGE(2UJ)
95024-08012-00
Unavailable
19
WASHER 1
1UJ-22243-00-00
Unavailable
20
WASHER, PLATE(3DM)
90201-087G2-00
Unavailable
