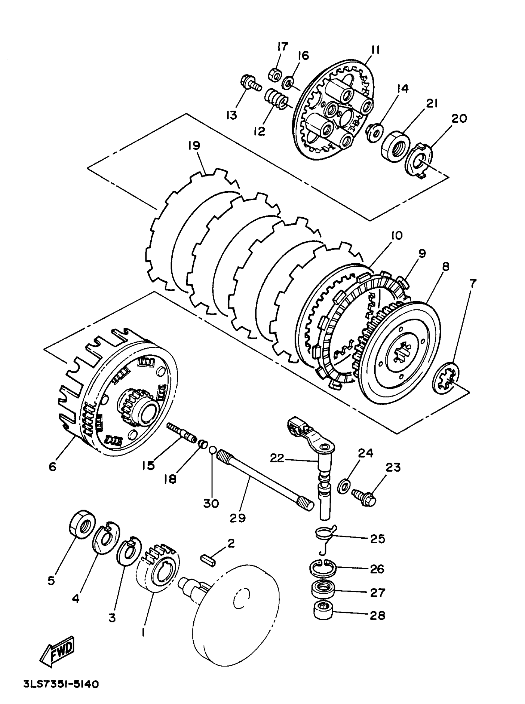
Yamaha XV250JC (VIRAGO 250 CA) 1997 CLUTCH Diagram
#
Description
Price
1
GEAR, PRIMARY DRIVE
3Y6-16111-03-00
Unavailable
8
BOSS, CLUTCH
30X-16371-00-00
Unavailable
15
ROD, PUSH 1
4DN-16356-00-00
Unavailable
16
WASHER(6TA)
92907-06200-00
Unavailable
17
NUT(6TA)
95317-06600-00
Unavailable
18
SEAL, ROD PUSH
3YX-1635A-00-00
Unavailable
19
PLATE, FRICTION
4H7-16321-02-00
Unavailable
20
WASHER, LOCK (30X)
90215-16320-00
Unavailable
21
NUT, HEXAGON (30X)
90170-16326-00
Unavailable
22
PUSH LEVER ASSY
2UJ-16380-00-00
Unavailable
23
SCREW 425163430000
90149-08067-00
Unavailable
24
WASHER, PLATE 3411117500
90201-08087-00
Unavailable
25
SPRING, TORSION (3Y1)
90508-14433-00
Unavailable
26
CIRCLIP (3Y1)
93420-28055-00
Unavailable
27
OIL SEAL (3Y1)
93102-14209-00
Unavailable
28
BEARING, CYLINDRICAL (3Y1)
93315-31428-00
Unavailable
29
ROD, PUSH 2
2UJ-16357-00-00
Unavailable
30
BALL (498)
93511-32027-00
Unavailable
