- Partiron
- OEM Parts
- Yamaha
- motorcycle
- 2015
- XV250FL (V STAR 250) 46BD0 2015
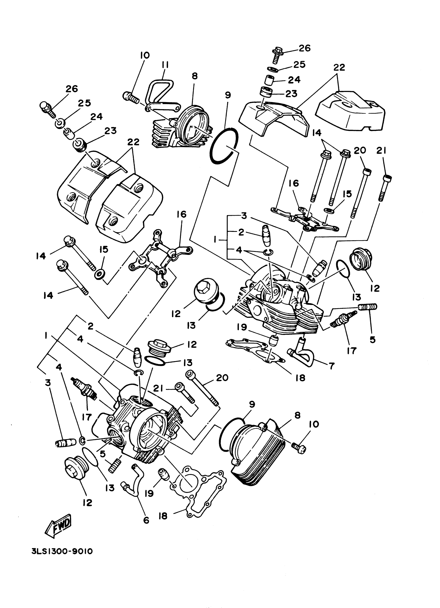
CYLINDER HEAD
Yamaha XV250FL (V STAR 250) 46BD0 2015 CYLINDER HEAD Diagram
#
Description
Price
1
CYLINDER HEAD ASSY
3BG-11102-01-00
Unavailable
6
PIPE 1
3BG-14871-00-00
Unavailable
7
PIPE 2
3BG-14872-00-00
Unavailable
8
COVER, CYLINDER HEAD SIDE 1
2UJ-11185-01-00
Unavailable
16
BRACKET, CYLINDER HEAD COVER 2
2UJ-11142-01-00
Unavailable
17
C6HSA NGK SPLUG 4PK
C6H-SA000-00-00
Unavailable
17
PLUG, SPARK (ND U20FS-U)
94701-00257-00
Unavailable
18
GASKET, CYLINDER HEAD 1
2UJ-11181-01-00
Unavailable
19
PIN, DOWEL(3VD)
99530-10114-00
Unavailable
20
BOLT, SOCKET
91317-06110-00
Unavailable
21
BOLT,SOCKET
91317-06040-00
Unavailable
22
COVER, CYLINDER HEAD SIDE 2
3DM-11186-01-00
Unavailable
23
GROMMET (462)
90480-13018-00
Unavailable
24
COLLAR
90387-06043-00
Unavailable
25
WASHER, PLATE(36Y)
90201-063J2-00
Unavailable
26
BOLT, FLANGE(3DM)
95024-06020-00
Unavailable
