- Partiron
- OEM Parts
- Yamaha
- motorcycle
- 2013
- XV250DC (V STAR 250 CA) 3BGN 2013
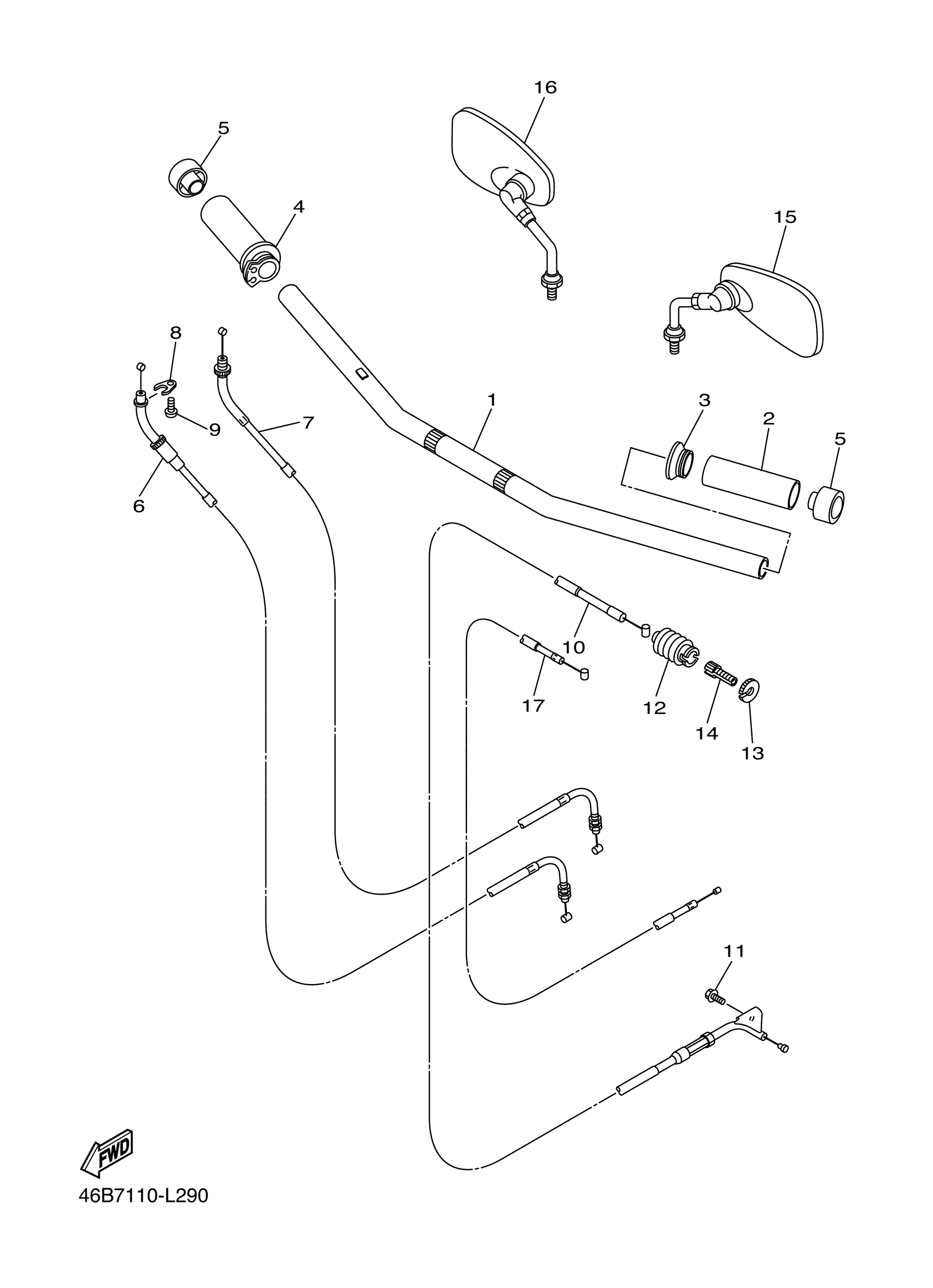
STEERING HANDLE CABLE
Yamaha XV250DC (V STAR 250 CA) 3BGN 2013 STEERING HANDLE CABLE Diagram
#
Description
Price
1
HANDLEBAR
46B-26111-01-00
Unavailable
7
CABLE, THROTTLE 2
46B-26312-00-00
Unavailable
16
REAR VIEW MIRROR ASSY (RIGHT)
27D-26290-00-00
Unavailable
17
CABLE, STARTER 1
46B-26331-00-00
Unavailable
