- Partiron
- OEM Parts
- Yamaha
- motorcycle
- 1990
- XV250AC (ROUTE 66 CA) 1990
CRANKSHAFT PISTON
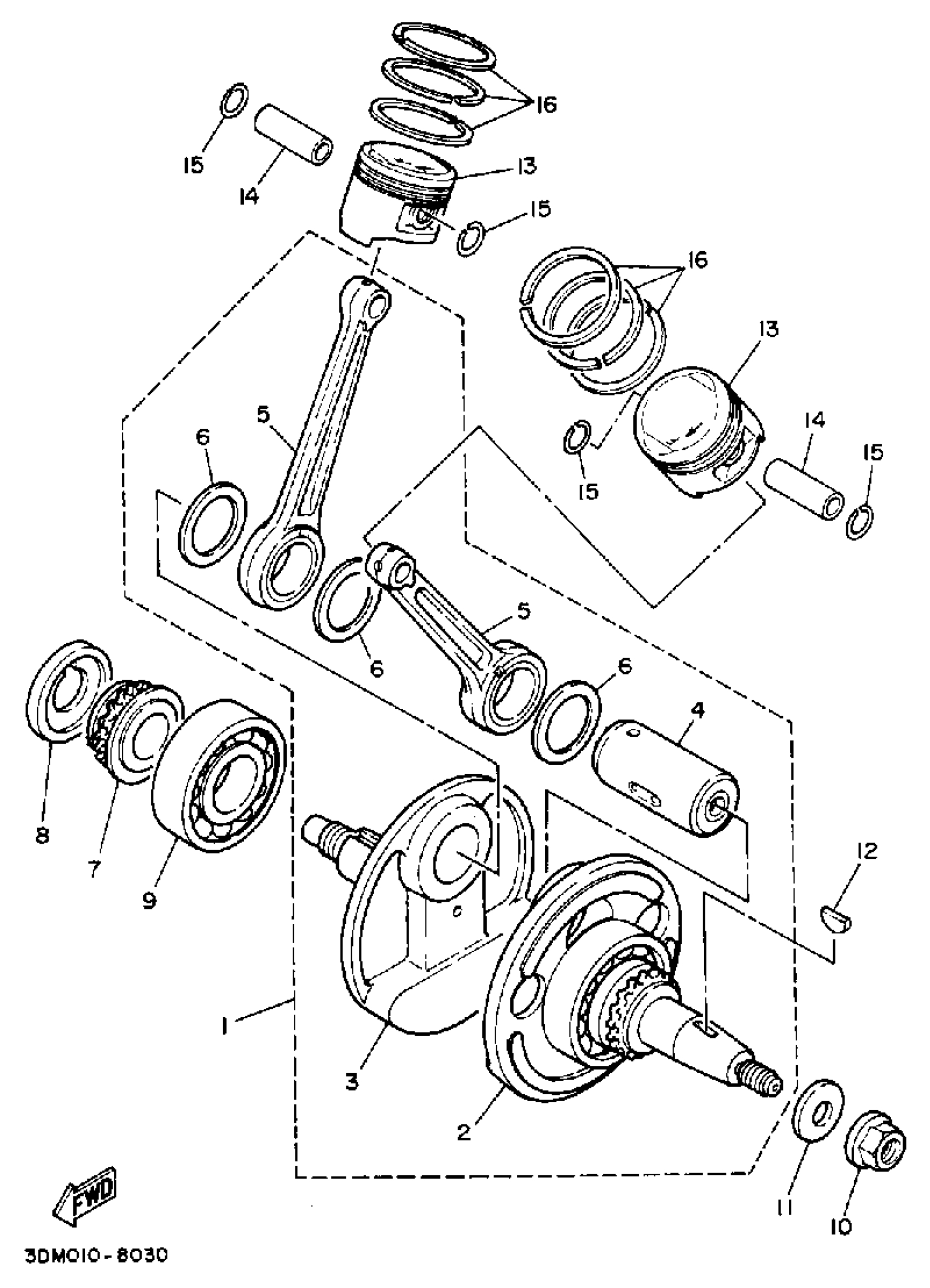
Yamaha XV250AC (ROUTE 66 CA) 1990 CRANKSHAFT PISTON Diagram
#
Description
Price
1
CRANKSHAFT ASSY
2UJ-11400-10-00
Unavailable
2
CRANK 1
(2UJ-W1141-00-00)
Unavailable
3
CRANK 2
2UJ-11422-00-00
Unavailable
4
PIN, CRANK 1
2UJ-11681-00-00
Unavailable
7
SPROCKET, CAM CHAIN
(2UJ-1154A-00-00)
Unavailable
8
COLLAR
(2UJ-11478-00-00)
Unavailable
13
PISTON (STD)
2UJ-11631-00-A0
Unavailable
13
PISTON (0.50MM O/S)
2UJ-11636-00-00
Unavailable
14
PIN, PISTON
22K-11633-01-00
Unavailable
15
CIRCLIP (22F)
93450-14088-00
Unavailable
16
PISTON RING SET (STD)
50M-11610-00-00
Unavailable
16
PISTON RING SET (2ND O/S)
50M-11610-20-00
Unavailable
16
PISTON RING SET (4TH O/S)
50M-11610-40-00
Unavailable
