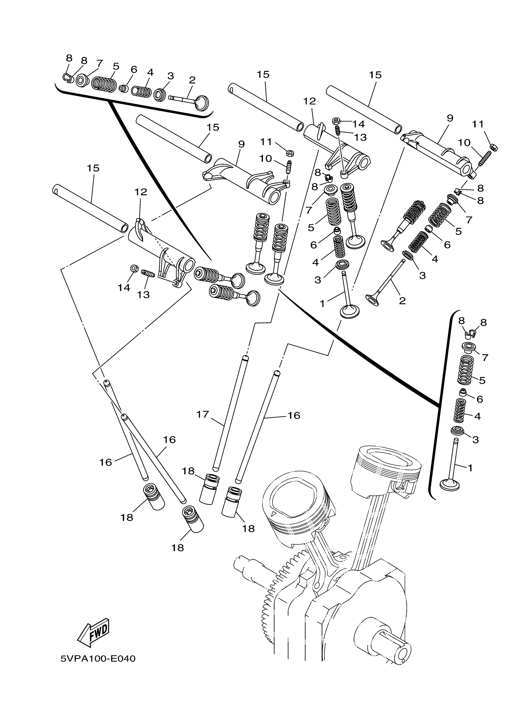
Yamaha XV17ASYCB (ROAD STAR S CA) 5VRH 2009 VALVE Diagram
#
Description
Price
3
SEAT, VALVE SPRING
26H-12116-00-00
Unavailable
9
ARM, VALVE ROCKER
5PX-12151-00-00
Unavailable
12
ARM, VALVE ROCKER 2
5PX-12161-00-00
Unavailable
15
SHAFT, ROCKER
1D7-12146-00-00
Unavailable
16
ROD, VALVE PUSH
5PX-12154-00-00
Unavailable
17
ROD, VALVE PUSH 2
5PX-12144-00-00
Unavailable
18
LIFTER, VALVE
4WM-12153-10-00
Unavailable
