- Partiron
- OEM Parts
- Yamaha
- motorcycle
- 2002
- XV1600ASPC (ROAD STAR MIDNIGHT STAR CA) 5MB8 2002
SIDE COVER
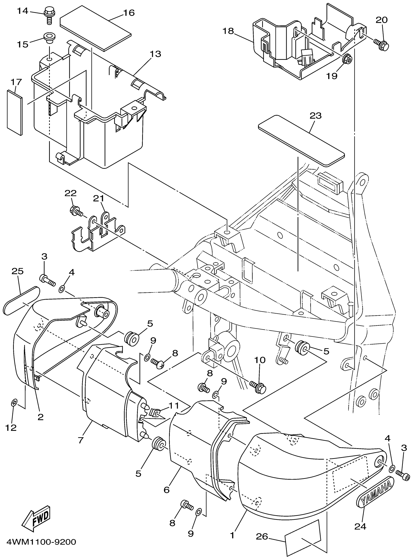
Yamaha XV1600ASPC (ROAD STAR MIDNIGHT STAR CA) 5MB8 2002 SIDE COVER Diagram
#
Description
Price
1
COVER, SIDE 1
4WM-21711-01-33
Unavailable
2
COVER, SIDE 2 (YAMAHA BLACK)
4WM-21721-00-33
Unavailable
4
WASHER, PLATE
90202-06170-00
Unavailable
6
COVER 9
4WM-2117X-00-33
Unavailable
7
COVER 10 (YAMAHA BLACK)
4WM-2117Y-00-33
Unavailable
11
NUT, SPRING(4ES)
90183-06069-00
Unavailable
13
BOX, BATTERY
4WM-2177G-00-00
Unavailable
14
BOLT, FLANGE
95817-06014-00
Unavailable
16
SEAT, BATTERY
51Y-82122-00-00
Unavailable
17
DAMPER, SIDE COVER
26H-21746-00-00
Unavailable
18
STAY, SIDE COVER 1
4WM-2172E-00-00
Unavailable
19
NUT, FLANGE(4MV)
95707-06500-00
Unavailable
20
BOLT, HEXAGON
97017-06012-00
Unavailable
21
BRACKET 1
4WM-2172K-00-00
Unavailable
22
BOLT, FLANGE
95817-06010-00
Unavailable
23
SHEET 2
4WM-21267-00-00
Unavailable
24
EMBLEM 1
3LS-21781-00-00
Unavailable
25
EMBLEM 1
3LS-21781-00-00
Unavailable
26
PLATE, EPA 2 (CALIFORNIA)
4WM-2179R-30-00
Unavailable
26
PLATE, EPA 1 (NON CALIFORNIA)
4WM-2179V-30-00
Unavailable
