- Partiron
- OEM Parts
- Yamaha
- motorcycle
- 1986
- XV1100SC (VIRAGO 1100 CA) 1986
ELECTRICAL 1
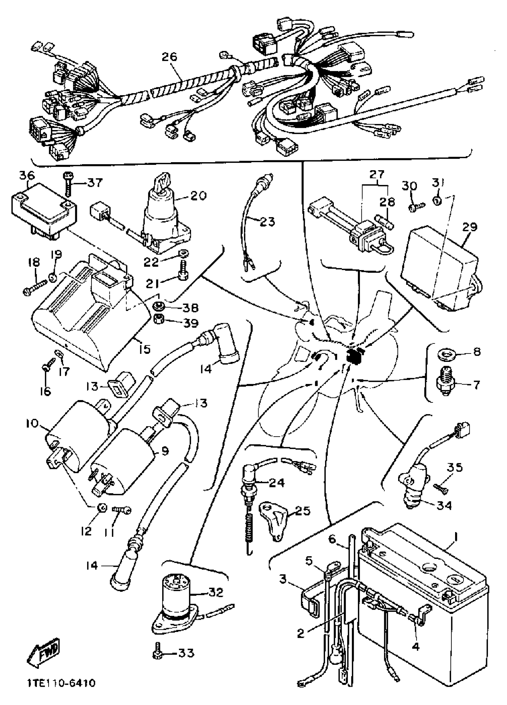
Yamaha XV1100SC (VIRAGO 1100 CA) 1986 ELECTRICAL 1 Diagram
#
1
SY50N18LAT YUASA BATTERY
SY5-0N18L-A0-00
Unavailable
2
LABEL, BATTERY
40A-82141-G0-00
Unavailable
4
WIRE, PLUS LEAD
42H-82115-01-00
Unavailable
5
WIRE, MINUS LEAD
42X-82116-00-00
Unavailable
9
IGNITION COIL ASSEMBLY
42X-82310-70-00
Unavailable
10
IGNITION COIL ASSEMBLY
42X-82320-70-00
Unavailable
11
SCREW, PAN HEAD
98580-05020-00
Unavailable
13
DAMPER, IGNITION COIL
42X-82317-00-00
Unavailable
14
PLUG CAP ASSY
1J7-82370-00-00
Unavailable
15
COVER,IGNITN COIL
42X-82314-01-00
Unavailable
16
SCREW, PAN
98517-06012-00
Unavailable
17
WASHER(6TA)
92907-06600-00
Unavailable
18
SCREW, PAN HEAD (76T)
98517-06025-00
Unavailable
19
WASHER(6TA)
92907-06600-00
Unavailable
20
MAIN SWITCH STEERING LOCK
42H-82501-50-00
Unavailable
21
BOLT, HEXAGON DEEP RECESS
97D95-06016-00
Unavailable
22
WASHER, PLAIN (646)
92990-06600-00
Unavailable
23
FRONT STOP SWITCH ASSY
26H-83980-00-00
Unavailable
24
STOP SWITCH ASSY
42X-82530-02-00
Unavailable
25
STAY, STOP SWITCH
1FK-82539-00-00
Unavailable
26
WIRE HARNESS ASSEMBLY
1TA-82590-00-00
Unavailable
27
FUSE HOLDER ASSEMBLY
3H5-82150-00-00
Unavailable
28
FUSE (12V 30A)
2H7-82151-00-00
Unavailable
29
IGNITOR UNIT ASSEMBLY 1
1TA-82305-20-00
Unavailable
30
SCREW, TAPPING(JA3)
97707-60520-00
Unavailable
31
WASHER, PLATE (4F4)
90201-063A5-00
Unavailable
32
OIL LEVEL GAUGE ASSEMBLY
3JK-85720-00-00
Unavailable
33
BOLT, SOCKET
91314-06016-00
Unavailable
34
SWITCH, SIDE STAND
33E-82566-00-00
Unavailable
35
SCREW, FLAT
98707-05016-00
Unavailable
36
SENSOR, PRESSURE
1TA-82380-20-00
Unavailable
37
SCREW, PAN
98517-06030-00
Unavailable
38
WASHER(6TA)
92907-06600-00
Unavailable
39
NUT, HEXAGON (371 447)
90170-06184-00
Unavailable
