- Partiron
- OEM Parts
- Yamaha
- motorcycle
- 1994
- XV1100FC (VIRAGO 1100 CA) 1994
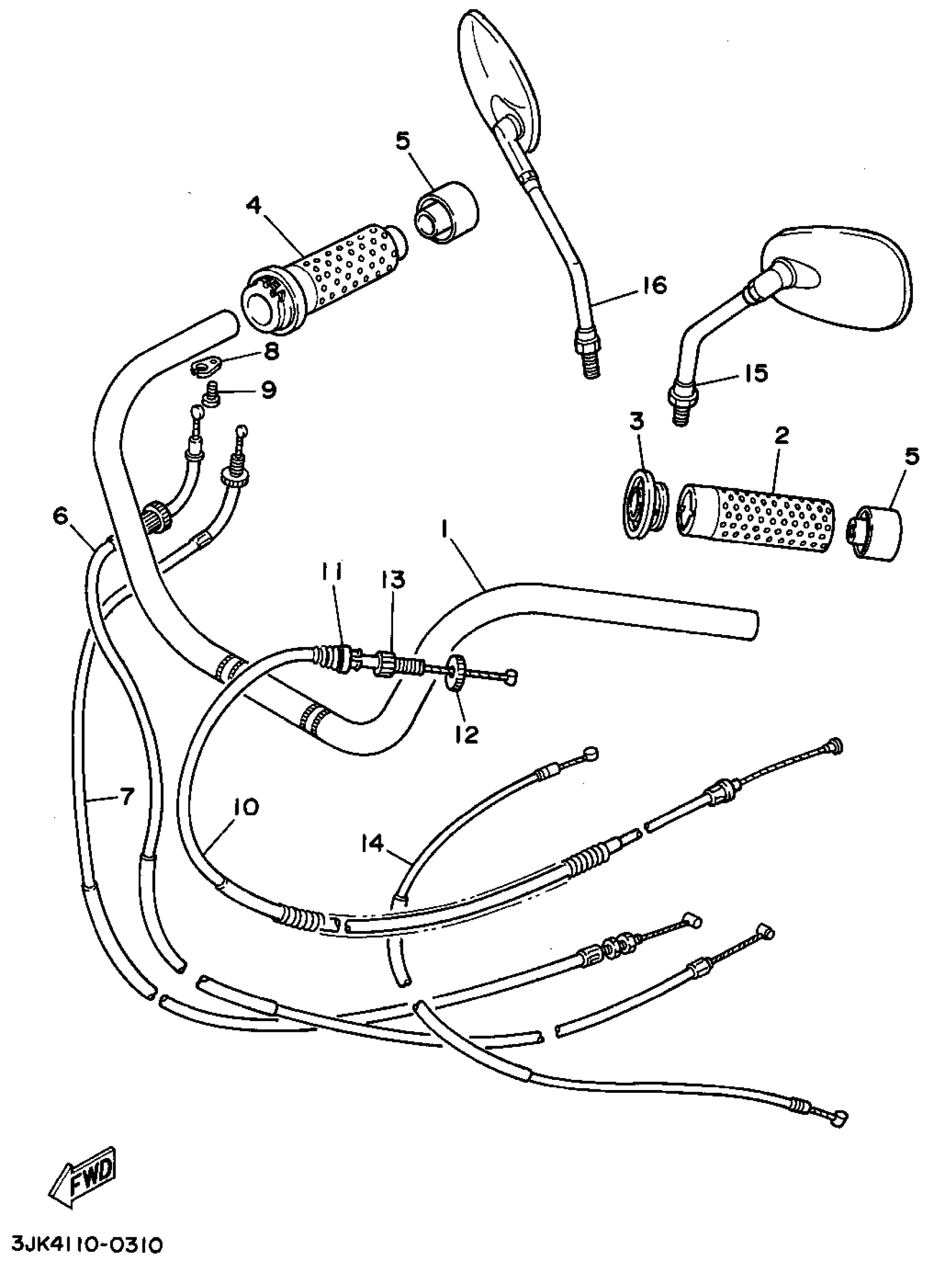
STEERING HANDLE CABLE
Yamaha XV1100FC (VIRAGO 1100 CA) 1994 STEERING HANDLE CABLE Diagram
#
Description
Price
1
HANDLEBAR
3CF-W2611-01-00
Unavailable
16
REAR VIEW MIRROR ASSY (RIGHT)
1AA-26290-10-00
Unavailable
