Partiron

Yamaha XV1100AC (VIRAGO 1100 CA) 1990 STARTING MOTOR Diagram

#

Description
Price

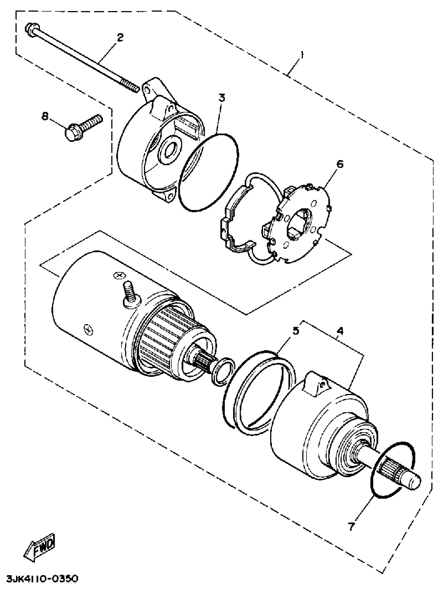
1

STARTING MOTOR ASSEMBLY

5A8-81800-10-00

Unavailable

2

BOLT

5A8-81826-10-00

Unavailable

3

GASKET

35C-81844-00-00

Unavailable

4

. FRONT BRACKET ASSEMBLY

5A8-81830-10-00

Unavailable

5

O-RING

5A8-81847-10-00

Unavailable

6

BRUSH HOLDER ASSY

5A8-81840-10-00

Unavailable

7

O-RING

1J7-81847-60-00

$38.99

8

BOLT, FLANGE

95822-06025-00

$1.75