- Partiron
- OEM Parts
- Yamaha
- motorcycle
- 1990
- XV1100AC (VIRAGO 1100 CA) 1990
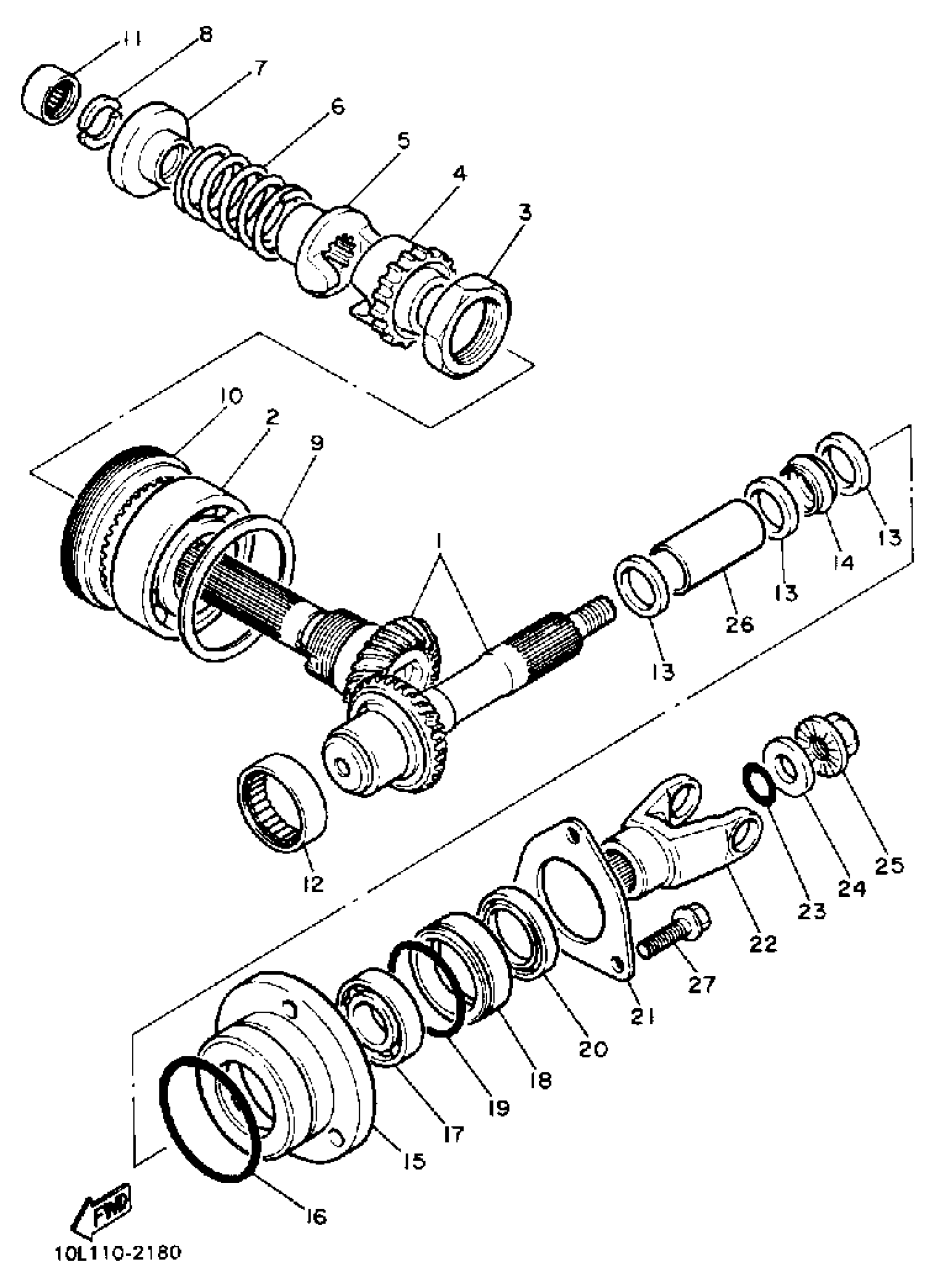
MIDDLE DRIVE GEAR
Yamaha XV1100AC (VIRAGO 1100 CA) 1990 MIDDLE DRIVE GEAR Diagram
#
Description
Price
1
MIDDLE GEAR
1TA-Y1757-00-00
Unavailable
2
BRG,R-B 6209RSH2-C2 85MM 412G
93306-20901-00
Unavailable
3
NUT (4X7)
90179-44328-00
Unavailable
4
CAM, DRIVE
42X-17526-01-00
Unavailable
7
HOLDER
(4X7-17524-00-00)
Unavailable
10
NUT (4X7)
90179-88336-00
Unavailable
11
BEARING, CYLINDRICAL (4X7)
93317-22021-00
Unavailable
14
SPACER, EXPANSION
1J7-46129-Y1-00
Unavailable
15
HOUSING, BEARING
11H-17551-00-00
Unavailable
16
O-RING (2H7)
93210-71360-00
Unavailable
17
BRG,R-B 6205RC2 52MM 124G KY
93306-20548-00
Unavailable
18
RETAINER, BEARING
4X7-17554-00-00
Unavailable
19
O-RING (4X7)
93210-52449-00
Unavailable
20
OIL SEAL (4X7)
93101-35099-00
Unavailable
21
PLATE, BEARING
(4X7-17558-00-00)
Unavailable
22
YOKE, JOINT
5EL-17556-00-00
Unavailable
23
O-RING (2H7)
93210-14359-00
Unavailable
24
WASHER, PLATE (1J7)
90201-14633-00
Unavailable
25
NUT
90179-14317-00
Unavailable
26
COLLAR
90387-251E1-00
Unavailable
27
BOLT, FLANGE(6TA)
95817-08030-00
Unavailable
