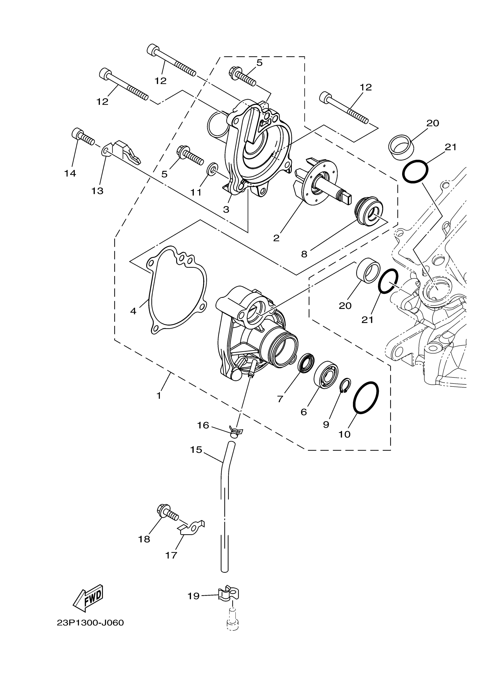
Yamaha XTZ12FS (SUPER TENERE) 2BSD0 2015 WATER PUMP Diagram
#
Description
Price
2
IMPELLER SHAFT ASSY
23P-12450-00-00
Unavailable
3
COVER, HOUSING
23P-12422-01-00
Unavailable
8
SEAL, MECHANICAL
5VK-12438-00-00
Unavailable
11
GASKET 256113960000
90430-06014-00
Unavailable
13
CLAMP
90462-08095-00
Unavailable
15
HOSE
90445-07030-00
Unavailable
16
CLIP
90467-070A0-00
Unavailable
17
CLAMP
90462-08084-00
Unavailable
18
BOLT, FLANGE
95814-06016-00
Unavailable
19
CLAMP
90462-10059-00
Unavailable
20
PIPE, WATER
23P-12564-00-00
Unavailable
21
O-RING
93210-24001-00
Unavailable
