Partiron

Yamaha XTZ12ERCB (SUPER TENERE ES CA) BUY8 2024 HEADLIGHT Diagram

#

Description
Price

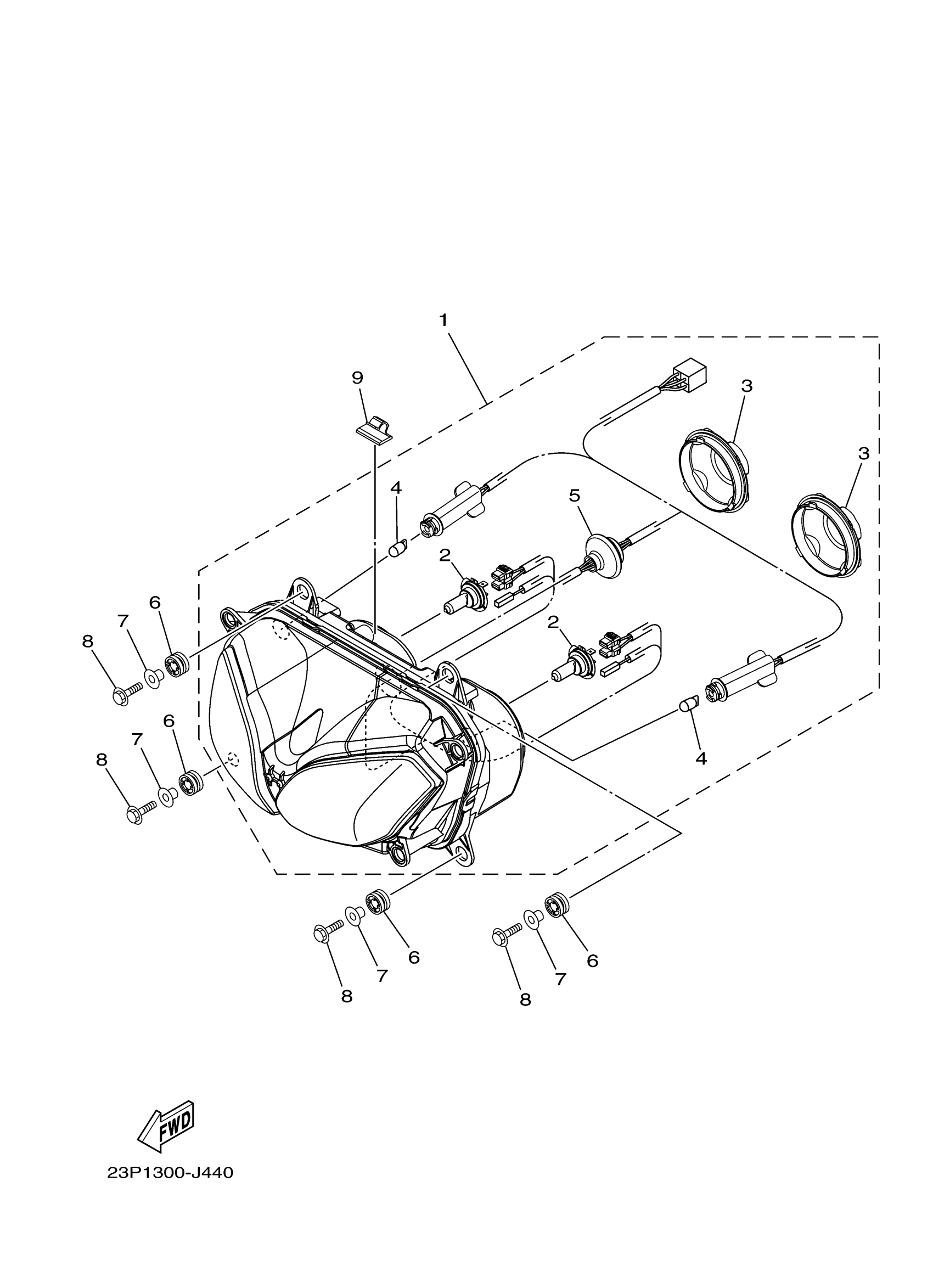
1

HEADLIGHT ASSY

2BS-84300-00-00

Unavailable

2

BULB (12V-55W)

4SV-84314-00-00

$53.99

3

COVER

14B-84396-00-00

$22.99

4

BULB

4SV-84347-00-00

$8.99

5

CORD ASSY

2BS-84312-00-00

Unavailable

6

DAMPER

4XV-83513-00-00

$7.99

7

COLLAR 437216330000

90387-07391-00

Unavailable

8

BOLT, FLANGE

95817-06025-00

Unavailable

9

CLAMP

90464-10012-00

Unavailable